Ergonomic Adjustable Furniture
Author(s):
- Astrid Prończuk
- Clément Mertz-Revol
- Jan Lennard Hinzpeter
- Julie Smeets
- Mario Konstanty Kochan Chmielik
Together with the coaches and EPS team.
Acknowledgement
Glossary
| Abbreviation | Description |
|---|---|
| CAGR | Compound Annual Growth Rate |
| CSS | Cascading Style Sheets |
| EPS | European Project Semester |
| FSC | Forest Stewardship Council |
| HTML | HyperText Markup Language |
| HPL | High Pressure Laminate |
| IoT | Internet of Things |
| ISEP | Instituto Superior de Engenharia do Porto |
| LCA | Life Cycle Analysis |
| LED | Light Emitting Diode |
| LPL | Low Pressure Laminate |
| MDF | Medium Density Fiberboard |
| PDCA | Plan-Do-Check-Act |
| PEFC | Programme for the Endorsement of Forest Certification Schemes |
| SWOT | Strengths, Weaknesses, Opportunities, Threats |
| USB | Universal Serial Bus |
| VOC | Volatile Organic Compounds |
| WBCSD | World Business Council for Sustainable Development |
| WCED | World Commission on Environment and Development |
| XML | eXtensible Markup Language |
1. Introduction
Small living spaces require ingenious solutions that are not only ergonomic and functional but allow reconfiguration. This paper describes the smart adjustable furniture project developed by a team of students from different countries, universities and engineering branches enrolled at the European Project Semester (EPS) at Instituto Superior de Engenharia do Porto (ISEP). EPS is a capstone design project for international students where teams work together to create a solution for a real problem from scratch, following ethics, sustainability and market concerns. The goal of this project-based learning process is to prepare engineering students to work together, prepare them for the challenges of the contemporary world and develop personal skills. Amplea, a reconfigurable furniture that can transform in a kitchen, dining table and a standing desk, was developed within EPS by a team of five students in the spring of 2023. The main objective of the project was to design, simulate and test and ethically and sustainability-driven safe and transformable furniture. The Amplea design, by transforming easily, provides more comfort and saves space in small living spaces. This paper summarises the research, the design of the solution and the development and testing of the proof-of-concept prototype.
1.1 Presentation
Five students, coming from five European countries, with diverse study backgrounds and cultures, got together at ISEP for the European Project Semester. This project is an opportunity to expand the students' knowledge and experiences for the future, through classes as well as teaching each other. The entire project will be carried out in english. Since all the students have native languages to english, this project will also give the opportunity to expand the english language. In Table 1, the members of the team are introduced (see the picture from left to right) with their origin and field of studies and also a team picture is shown.
| Name | Studies | Location |
|---|---|---|
| Jan | Mechanical engineering | Germany, Kiel |
| Astrid | Forensic science | The Netherlands, Enschede |
| Julie | Product development | Belgium, Antwerp |
| Clément | General engineering | France, Tarbes |
| Mario | Computer science | Spain, Barcelona |
1.2 Motivation
We all came to Porto intending to carry out an innovative project. We all wanted a multi-disciplinary project, involving mechanics, IT and other fields to explore. During the semester multiple classes are proposed, such as management, marketing, communication. Our main aim is to create a prototype of the project, to have something physical at the end of the semester. The second goal is to have every team member contribute to the project, by bringing his/her competences, participate fully within the team and to be respectful to eachothers work. Each team member wrote his/her motivation that can be read in Table 2.
| Name | Motivation |
|---|---|
| Mario | My main motivation for doing the EPS was working with international people. I knew, from the experiencie of my colleagues, that once you start doing the EPS you start meeting new people from different countries and work with them. Also, I think that this experience will help me in my future as a first contact working with people in English. I chose Porto because the city had great reviews on internet and the Portuguese culture is in a way similar to the Spanish one. |
| Jan | Embarking on a European Project Semester that involves interactive work in a team and an interdisciplinary approach is an exciting opportunity to develop my skills and knowledge. By working with people from different backgrounds, I will have the chance to learn from their perspectives and experiences, which can help me expand my horizons and become more open-minded. Due to my very close start of work and finishing my Masters, it is a great opportunity to work for a longer periode on a specific subject in an international context. I have previously struggled a bit to follow meetings in English and express myself porperly. I think this will change after this semester. |
| Astrid | Working on a project with people who have different nationalities and different studies was my main motivation to take part in the Erasmus Project Semester. Personally, I was really curious about the differences in cultures within the project group and with that the different manners of working within a group. I was looking forward to having a geat time in a new country, meeting new people and working together on a great project where I can expand my knowledge and experiences that I will take with me in the future. |
| Julie | From school we could choose between a regular Erasmus mobility and an EPS project, my preference immediately went to an EPS project because of the opportunity the project gives to work with international students from all different backgrounds. Porto was therefore ideal with the EPS project and all the other opportunities the city has to offer such as the beautiful weather, the city and the beach and so much more. |
| Clément | My choice to come to Porto was motivated by the fact of doing two mobilities during my studies. This is the only way in my school to do it, going in EPS and then in ERASMUS without doing an internship in a foreign country. Furthermore, a good friend of mine advised me to do so, as he did, because of the opportunity to meet new people and work on an interesting topic. It will be one more argument to add on my resume as I wish to have an international career in a few years. |
1.3 Problem
As the population continuously increases [Our World Data, 2022] [The World Bank, 2021], living spaces are becoming smaller, more expensive, and more challenging to utilize efficiently. According to the United Nations, “by 2050, around 68 % of the world's population is projected to live in urban areas, which will further increase the demand for efficient living spaces” [United Nations, 2018]. This poses a significant challenge for individuals who need to optimize their living spaces, especially when it comes to incorporating functional furniture into their homes [Lucy Pickford, 2021]. A specific challenge that arises is finding a way to make the most out of small kitchens and workspaces, which often needs to serve multiple purposes.
One potential solution to this problem is to design and produce convertible furniture that can be used for multiple purposes. For instance, a desk could be designed to fold down and transform into a kitchen island, or a kitchen island could be designed to fold up and transform into a desk. By creating furniture that can serve multiple purposes, individuals can maximize the use of their living spaces and make their homes more efficient.
However, there are additional challenges that need to be addressed in creating convertible furniture that incorporates smart features to adjust to different user needs. For instance, the furniture needs to be sturdy and reliable enough to withstand frequent use and movement, and also include features such as height adjustment for those with specific needs. Additionally, incorporating smart technology into the furniture's design, such as voice-activated commands or automatic adjustments, can further enhance its efficiency and versatility.
Overall, the challenge of making the most out of small living spaces can be addressed through innovative furniture design that incorporates functionality, efficiency, and smart technology. By finding ways to create multi-purpose furniture that is both practical and aesthetically pleasing, individuals can create living spaces that are comfortable, functional, and efficient while also catering to their specific needs.
1.4 Objectives
The objective is to help people that are living in small accommodations such as apartments. To accomplish this goal, the team came up with an idea of a piece of furniture that allows cooking, eating, and working at the same place. With this innovative piece of furniture, the user can enjoy the luxury of cooking, eating, and working, all using the same piece of furniture. The furniture is designed to be compact yet spacious, and is therefore intended for people who value functionality and practicality.
1.5 Requirements
The requirements were defined from the point of view of the consumer. The objective is to propose a solution that meets these requirements. The requirements range from the user experience to the proposal to address everyday needs. As I client I want:
- to have a small kitchenet so I can have more living space in my apartment.
- a multiuse piece of furniture so I have multiple furnitures in only one place.
- a comfortable place where I can study or work whenever I want.
- the possibility to invite multiple people to my house and socialize around a table.
- to have good quality furniture, that is safe for cooking, resistent to water, and easy to clean.
- to have adjustable furniture, so I can work in a sitting position as well as in a standing position.
- to have some storage space to store my stuff.
- to have good lighting while I am cooking and working.
For all these requirements, the team provides a solution, while complying with the quality standards that are considered important.
1.6 Functional Tests
The main objective of the project is to build a prototype with as much mechanical parts as possible, to make the best idealization of the product.
To ensure that this idealization is done the best way possible, functional tests will be on the prototype. Both the digital prototype as well as the physical prototype will be tested. The team will test the weight support and the usability of the product. The tests are listed below and will be described further in the project development chapter of this report.
- Digital design prototype test: Test the design of the product to test if it fulfills all the mandatory directives.
- Real quality prototype test: Test if the product fulfills all the quality directives.
- Weight test: Test the maximum weight that the furniture can support.
- Functionality test: Test if the furniture can be easily transformed into a kitchen, working desk and extandible table.
- Safety test: Test if the product satisfies the safety regulations.
With these tests, the team will confirm if the product prototype can be produced as a real product, fulfilling all the directives and standards defined by the different organizations around the world. The most important test is the safety test, as it will indicate if our product is viable to be safely used by the future consumers.
1.7 Project Planning
When it comes to project planning, it is important to choose a methodology that best suits the needs of the project. The team decided to use a combination of scrum and kanban methodologies.
Scrum is an agile framework that emphasizes teamwork, communication, and rapid iteration. It involves breaking down a project into smaller, more manageable tasks called sprints, which typically last between one and four weeks. At the end of each sprint, the team conducts a review to assess their progress and adjust their approach for the next sprint.
Kanban, on the other hand, is a lean methodology that focuses on visualizing work and limiting work in progress. It involves using a kanban board, which is a visual representation of the work that needs to be done, the work that is currently in progress, and the work that has been completed. This allows the team to quickly identify bottlenecks and prioritize tasks based on their importance.
By combining these two methodologies, the team will be able to create a project planning that is flexible, adaptable, and focused on continuous improvement. Scrum will be used for planning and executing our sprints, while kanban will help visualize the work and manage the workflow effectively. Together, these methodologies provide the team with a powerful framework for delivering high-quality work in a timely and efficient manner.
In Figure 1 an example is shown of the team's kanban.
1.8 Report Structure
This report will follow a structured format that is designed to provide a comprehensive overview of the project being developed:
A summary of the report structure can be seen in Table 3.
| Number | Task | Description |
|---|---|---|
| 1 | Introduction | An introduction to our project and the main points. |
| 2 | State of the Art | Analysis of the environment, actual products and similar. |
| 3 | Project Management | How the team is going to manage the hours of work and objectives for each sprint. |
| 4 | Marketing Plan | Market analysis, SWOT analysis, strategies for positioning our brand. |
| 5 | Eco-efficiency Measures for Sustainability | How the project can be ecofriendly and sustainable. |
| 6 | Ethical and Deontological Concerns | Directives and ethics that need to be followed as an engineer. |
| 7 | Project Development | General evolution of the project. |
| 8 | Conclusions | Team's conclusions and future work that can be developed. |
2. State of the Art
2.1 Introduction
The group at first selected the topic “Smartification of everyday object”. This topic aims to smartify different objects that we use everyday as for example: eletronic elements, tools, objects, etc.
Smartification can be defined as the creation of smart products: “smart products are based on digitized (or cyber-physical) products, which consist of physical, intelligent and connected components and are capable of a digital upgrading through internet-based services” [Günther Schuh, et al., 2019].
Once the group knew what the goal was, the project needed a basis of a technological knowledge as programming, electronic, design, human necessities and mechanical.
At first the members started with a brainstorm. In the brainstorm each member talked about their different ideas and thoughts. At the end, a top three of products was made. This was done by picking types of products that were the most interesting for the chosen topic of the project. It was also important to consider types of products where every indivudual team member could contribute to developing.
In the sections that follow, the three ideas, adjustable, smart and ergonomic furniture, are discussed.
2.2 Adjustable furniture
In recent years, the importance of ergonomics in the workplace has become increasingly apparent. One solution to promote healthy posture and reduce the risks of sedentary behaviour is the use of adjustable furniture. Adjustable furniture is designed to accommodate the individual needs of users by allowing them to easily adjust the height, angle, or position of the furniture.
One example of state-of-the-art adjustable furniture is the Altwork Station, which is designed to allow users to work in a variety of positions, including lying down, standing, or sitting. The Altwork Station's unique design provides users with a range of adjustable features, including adjustable monitor heights, keyboard and mouse placement, and seat recline [Altwork, 2023].
Another example of adjustable furniture is the Herman Miller Aeron Chair, which has been recognized as a classic design due to its innovative ergonomic design. The chair is designed to support the body in a natural posture, with adjustable features such as lumbar support, tilt, and armrests [Herman Miller Inc., 2023].
The Steelcase Gesture Chair is another example of adjustable furniture that has received recognition for its innovative design. The chair is designed to accommodate a range of postures and movements, with features such as 360-degree arm rotation, adjustable seat depth, and backrest height adjustment [Steelcase Inc., 2023].
In addition to chairs, adjustable desks are also becoming increasingly popular in modern workspaces. The Varidesk ProDesk 60 Electric is a sit-stand desk that allows users to easily switch between sitting and standing positions. The desk can be adjusted to a range of heights, and its sturdy frame can support up to 250 pounds [Varidesk LLC., 2023].
The Uplift Desk is another popular adjustable desk that is designed to promote healthy posture and movement. The desk can be easily adjusted to different heights, and it includes features such as programmable memory settings, a spacious work surface, and an adjustable keyboard tray (UpliftDesk, 2021).
Images of the different types of adjustable furniture that are mentioned above, are shown in Table 4.
In conclusion, adjustable furniture is becoming increasingly popular in modern workspaces due to its ability to promote healthy posture and movement. The state-of-the-art in adjustable furniture includes a range of innovative designs, concerning chairs, desks, and modular systems, that can easily be adjusted to accommodate the individual needs of users. By incorporating adjustable features into the workplace, employers can promote a healthy and productive work environment.
2.3 Smart furniture
Smart furniture is an emerging field that combines traditional furniture design with advanced technologies such as sensors, microcontrollers, and actuators. It is designed to be more responsive, interactive, and adaptive to the needs of its users. In the following, an overview of the state-of-the-art in smart furniture, highlighting the most innovative and cutting-edge designs in the field, is presented.
One of the most inspiring furniture on the market is the Sobro Smart Coffee Table, which includes features such as built-in Bluetooth speakers, a touch control panel, a charging port, and a refrigerated drawer. The coffee table's advanced features are designed to enhance the user's entertainment and productivity experience [StoreBound LLC., 2023].
Another example of smart furniture is the Ori Robotic Furniture System, which is designed to transform small spaces into dynamic and functional living areas. The furniture system includes features such as motorized cabinets, a retractable bed, and a hidden workspace. The Ori system is controlled through a mobile app, which allows users to adjust the furniture configuration according to their needs [Ori Design Studio, 2023] .
The Kelvin Home Coffee Roaster is another example of smart furniture that combines advanced technology with traditional furniture design. The coffee roaster includes features such as a touchscreen interface, temperature sensors, and a smoke suppression system. The coffee roaster's advanced features allow users to roast their own coffee beans with precision and ease [Ikawa Ltd., 2023].
Images of the different types of smart furniture that are mentioned above, are shown in Table 5.
In addition to home furniture, smart office furniture is also becoming increasingly popular in modern workspaces. One example is the Herman Miller Live OS system. This system is a smart furniture system that includes features such as height-adjustable desks, smart chairs, and a mobile app that tracks the user's activity and provides personalized recommendations for optimal ergonomic posture.
All in all, smart furniture is an emerging field that is transforming traditional furniture design by incorporating advanced technologies such as sensors, microcontrollers, and actuators. The state-of-the-art in smart furniture includes a range of innovative designs, including coffee tables, robotic furniture systems, and smart office furniture. By incorporating smart furniture into the home or workplace, users can enhance their productivity, entertainment, and overall lifestyle experience.
2.4 Ergonomic furniture
Ergonomic furniture is designed to provide users with maximum comfort, support, and efficiency while minimizing the risk of injury and strain. This type of furniture is becoming increasingly popular in modern workplaces and homes, as people become more aware of the importance of maintaining good posture and reducing the risk of musculoskeletal disorders.
The first example of ergonomic furniture is the Steelcase Gesture Chair, which is designed to adapt to a wide range of postures and movements. The chair includes features such as 360-degree swivel, adjustable seat depth, and a flexible backrest that mimics the natural movement of the spine. The Steelcase Gesture Chair is also designed to provide support for the arms and shoulders, reducing the risk of strain and injury [Steelcase Inc., 2023].
Secondly is the Humanscale Float Table, this design promotes movement and reduces the risk of static posture. The table includes features such as a counterbalance mechanism that makes it easy to adjust the height of the table, as well as a built-in cable management system that keeps wires and cords organized and out of the way. The Humanscale Float Table is also designed to be environmentally friendly, using sustainable materials and production methods [Humanscale, 2023].
In addition the Varidesk Pro Plus is another example of ergonomic furniture that has become increasingly popular in modern workplaces. Its height-adjustable Feature allows users to switch between sitting and standing positions throughout the day. The desk is designed to be easy to use, with a simple lever that allows users to adjust the height of the desk to their preferred position. The Varidesk Pro Plus is also designed to be durable and long-lasting, with a sturdy construction that can support up to 35 pounds [Varidesk LLC, 2023]. In addition to chairs and desks, ergonomic furniture also includes accessories such as footrests, keyboard trays, and monitor stands.
Images of the different types of ergonomic furniture that are mentioned above, are shown in Table 6.
In conclusion, ergonomic furniture is an essential part of modern workplaces and homes, designed to provide users with maximum comfort, support, and efficiency while minimizing the risk of injury and strain. The state-of-the-art in ergonomic furniture includes a range of innovative designs, including chairs, desks, and accessories. By incorporating ergonomic furniture into the home or workplace, users can promote good posture, reduce the risk of musculoskeletal disorders, and improve their overall health and wellbeing.
2.5 Conclusion
Based on the state-of-the-art above, the team chose to focus on making an adjustable kitchen with different features from the researched types of the already existing types of furniture. With this research, the team picked features from the different existing types of furniture to implement in the new product. The features are the following:
- Adjustable furniture: From the already existing adjustable furniture, the new product will have an innovative design with desks and modular systems that can be adjusted to the users needs.
- Smart furniture: The features from the already existing smart furniture are going to be incorporated by using of advanced technologies with sensors and controllers.
- Ergonomic furniture: Ergonomic feature that will be implemented into the product will be adjustability of the furniture to maximize comfort, support and efficiency while minimizing the risk of injury.
Although this topic is already being addressed by others, the idea of a new envisaged product differs from existing ideas. As discussed before, the team will design a product that targets people who live in small spaces, as it will help to optimize the available space. Moreover, this project fits in the team, as every team member can contribute with their own expertise such as mechanical engineering, computing or design.
3. Project Management
3.1 Scope
A project scope refers to the specific details of a project, including the goals, deliverables and requirements of the project. It outlines the specific deliverables that needs to be produce which will help the team to successful complete the project. The project scope is an important part of project management, as it provides a framework for planning, executing and controlling the project. A properly defining project scope helps to ensure that all stakeholders have a clear understanding of what is expected of the project and minimizes the risk of misunderstandings or miscommunication during the execution of the project. The project scope is defined in a work breakdown structure (WBS), which can be found in Figure 2. The WBS is a tool to give an overall overview of the project scope. The scope of a project refers to the boundaries or limits of a project, defining what will be or wont be included in the projects deliverables. The scope contains the goals, task and recources required to achieve a desired outcome.
3.2 Time
Below, is the list of the milestones all the teams had to follow.
- 2023-02-26 Choose a project proposal and send your choice via email to epsatisep@gmail.com
- 2023-03-08 Define the Project Backlog (what must be done and key deliverables - every member should preferably participate in every task), Global Sprint Plan, Initial Sprint Plan (which tasks should be included, who does what) and Release Gantt Chart of the project and insert them on the wiki (planning)
- 2023-03-15 Upload the “black box” System Diagrams & Structural Drafts to the wiki
- 2023-03-22 Upload the List of Components and Materials (what & quantity) to the wiki
- 2023-03-29 Upload the detailed System Schematics & Structural Drawings to the wiki and do the cardboard scale model of the structure
- 2023-04-16 Upload the Interim Report and Presentation to the wiki. The report must contain the the following chapters: Introduction, Project Management, State of the Art, Marketing Plan, Eco-efficiency Measures for Sustainability, Ethical and Deontological Concerns, Proposed Solution and Bibliography. In particular, the Project Management chapter includes the updated project progress register, the sprint report for completed sprints (tasks that were included, statuses, assignees, allocations) and the updated release Gantt chart
- 2023-04-20 Interim Presentation, Discussion and Peer, Teacher and Supervisor Feedbacks
- 2023-04-26 Upload the final List of Materials (local providers & price, including VAT and transportation), and 3D model video to the wiki
- 2023-05-07 Upload refined Interim Report (based on Teacher & Supervisor Feedback)
- 2023-05-24 Upload packaging solution to Deliverables and Report
- 2023-06-31 Upload the results of the Functional Tests to the wiki
- 2023-06-18 Upload the Final Report, Presentation, Video, Paper, Poster and Manual
- 2023-06-22 Final Presentation, Individual Discussion and Assessment (reserve the whole day)
- 2023-06-27:
- Update the wiki, report, paper with all suggested corrections
- Place in the files section of the MS Teams channel of your team a folder with the refined deliverables (source + PDF) together with all code and drawings produced
- Hand in to the EPS coordinator a printed copy of the refined report and poster
- 2023-06-29:
- Hand in the prototype and user manual to the client
- Receive the EPS@ISEP certificate
- Bring typical food from your country
A Gantt chart allows to see how the team organises itself. The tasks will later be further detailed in this report. The Gantt chart can be seen in Figure 3.
3.3 Cost
Regarding the cost of the project, it is difficult to estimate it. The project last for 5 months with 5 members are participating in the team. Because the university ISEP is located in portugal, the wage of the team member is estimated at 1 500 euros per month. Multiplied by 5 (people), for 5 months, the final human ressource cost would have been 37 500 euros. The team also uses a workingroom that is dedicated to all the projectgroups. As this is a room property of ISEP, the costs for the usage of electricity for lightning and electronic devices will not be taken into consideration.
The budget for the project is 100 euros. This budget includes all of the components for the physical prototype.
3.4 Quality
The term “quality” is inherently subjective and can be understood through the ISO definition, which emphasizes the features and characteristics of a product or service that contribute to its ability to fulfill stated or implied needs. In simpler terms, a product is deemed to have good quality when it meets the requirements specified by the client.
To manage a project with a good quality the work needs to be efficient, and the requirements specification should be respected. Both the timline and the technical specification requested by the client, have to be taken in account. The efficient work is directly linked to the timelines even if sometimes others elements as the arrival of the raw material, or subcontractor work, can affect the delivery-date. The studies before the product launch define the project and production budget and the cost of the final product.
3.5 People
Effective task delegation is a key aspect of project management that can significantly impact the overall success of a project. Here are some important considerations for task delegation:
- Clarity of Responsibilities: Clearly defining and communicating the responsibilities and assignments of team members is crucial to ensure that everyone understands their roles and what is expected of them. This includes specifying the scope, timeline, and deliverables of each task, as well as any dependencies or constraints.
- Capability and Interest of Team Members: Assigning tasks based on the capabilities and interests of team members can lead to optimal performance. It is important to assess the skills, expertise, and preferences of team members and assign tasks that align with their strengths. This can increase motivation, engagement, and productivity, resulting in better outcomes.
- Collaboration and Synergy: Encouraging collaborative efforts among team members can foster innovation, creativity, and problem-solving. Complex tasks can often be accomplished more effectively through teamwork, where team members can leverage their diverse skills and perspectives to achieve the best results. Facilitating communication, coordination, and knowledge sharing among team members can enhance collaboration and synergy.
- Monitoring and Support: Once tasks are delegated, it is important to monitor progress and provide support as needed. Regular check-ins, progress updates, and feedback sessions can help ensure that tasks are on track and any obstacles or challenges are addressed in a timely manner. Providing necessary resources, tools, and training can also support team members in completing their tasks effectively.
- Flexibility and Adaptability: Project dynamics may change over time, and it is important to be flexible and adaptable in task delegation. Adjustments may be needed based on changing priorities, resource availability, or unforeseen circumstances. Being open to reassigning tasks or redistributing workload can help maintain efficiency and effectiveness in project management.
- By ensuring clarity of responsibilities, leveraging team members' capabilities and interests, fostering collaboration, and providing monitoring and support, effective task delegation can contribute to seamless project management and enhance project outcomes. It promotes efficient resource utilization, reduces duplication of efforts, and maximizes team performance, leading to successful project completion.
The detailed of the roles are will be discussed in chapter 3.10 of this report, and will be classified by sprint. As it was already explained, the team is composed of 5 students, Jan, Julie, Mario, Astrid and Clément. The whole team decided there will not be a team leader but only a task leader. The teachers and coaches will shadow the project and will advise the team with thoughts they have.
3.6 Communications
At start of the semester the team created a WhatsApp group to be able to communicate, share ideas and thoughts, and to schedule meetings. The meetings were mostly at ISEP (80 %), for some meetings we met at a team members accommodation (15 %) and a few times we organized an online meeting on MS Teams (5 %). In Figure 4 a diagram of the location of the meetings is shown.
To share our files, the programs: MS Teams, Trello and Miro were used to organize the work and ideas. These programs and websites are dedicated to workshare. In Table 7 the communication matrix is shown, explaining how the communication is within the team.
| What | Why | When | To Whom | How |
|---|---|---|---|---|
| Brainstorming | To share the idea | Every time we needed to | The team | Face to face meeting, vote on WhatsApp |
| Agenda | To prepare the weekly meeting | On Tuesday or Wednesday | The team | Reuniting what has been done during the week |
| Meeting with the supervisors | To present them where we are | On Thursday morning | The supervisors | Slideshow presentation |
| Interim presentation | To have a big appointment | 20/04/2023 | To everyone | Slideshow presentation |
| Deliverable | To validate the deadlines | Every time we needed to | The supervisors | Updating the wiki |
| Final presentation | To conclude our project | 22/06/2023 | To everyone | Slideshow presentation |
3.7 Risk
Risk management is a systematic process used to identify, assess, prioritize, and mitigate risks that may affect the achievement of project or organizational objectives. The risk management process typically involves the following steps:
- Risk Identification: This step involves identifying potential risks that may arise during the project or organizational activities. This can be done through techniques such as brainstorming, checklists, SWOT analysis, and expert opinions.
- Risk Evaluation: Once risks are identified, they need to be evaluated to understand their potential impact and likelihood of occurrence. This can be done by assessing the severity of consequences, the probability of occurrence, and the ability to detect and respond to the risks.
- Risk Handling: After evaluating risks, the next step is to develop appropriate strategies to handle them. This may involve risk mitigation, risk transfer, risk acceptance, or risk avoidance strategies, depending on the nature of the risks and the organization's risk appetite.
- Risk Monitoring and Control: Once risks are identified and strategies are implemented, it is important to monitor and control them throughout the project or organizational activities. This may involve tracking risks, updating risk registers, analyzing risk trends, and implementing risk response actions.
- Collaboration with Risk Owners: The project professional works closely with the risk owners, who are responsible for managing specific risks, to ensure that risks are clearly identified, analyzed, and managed effectively. Risk owners are typically individuals or teams who have the knowledge and expertise to manage the risks.
The overall goal of risk management is to minimize the impact of risks on the project or organization by proactively identifying and addressing them. By following a systematic risk management process, project professionals can enhance the chances of project success and minimize the negative consequences of risks.The risk analysis can be seen in Tabel 8.
| Risk | Probability (1 to 10) | Detection | Impact (1 to 10) | Consequences | How to prevent |
|---|---|---|---|---|---|
| No team member is able to do a task | 3 | Impossibility to go on | 7 | Impossibility to go further on the project, rethink, go back to find a solution | Analyse the task and if it is impossible to the team, find a similar and possible task |
| Going over the budget | 8 | Need of component | 4 | Impossibility to continue on the prototype | Find the cheapest components that corresponds to the technical expectations and create a list for the components that needs to be ordered |
| Impossibility to have sustainable product | 5 | Price of the component too high or technical issues | 2 | Impossibility to respect the first requirement, the motivation be aware of the environment | The aim was to produce something sustainable but the main objective is to have an ergonomic and usable furniture |
| Public not interested in the product | 2 | Impossibility to sell it | 10 | Lose a lot money and time | The market analysis needs to be reviewed during the entire project |
| A user breaks the product during the warranty time | 3 | between 1 and 8 | If it is in less than 2% of the case, separate issue. If it is not, important issues in the product | Be really careful during the 3D model test and the final test of the product | |
| New company | 4 | Information on when their product is being launched | 6 | New competition | Try to inform regularly |
| Long sickness or absence | 2 | The person informs the rest of the team | 4 | Share his/her work and try to do what the team can, possibility to not be able to do all the work | Take care of each other and yourself |
| Lack of time to finish the prototype | 7 | When the final presentation is closed | 3 | Not being advanced enough to satisfy the supervisors | Work efficiently regarding and build a good 3D model |
The risk analysis presented in the previous table allows us to identify the highest risks of the team. It's important to be careful with every decision by evaluating the risks and the consequenses. This will reduce the impact of the high risks.
3.8 Procurement
As it is written earlier, the budget is: 100 euros. The final product will probably cost thousands of euros, but the idea is to have a product intended for small accommodation. The aim is therefore to have the lowest final price while keeping high quality. To do that, it is necessary to limit the transportation costs as much as possible. As our main market will be located in Asia, the factory will be located there. The factory will manufacture the cupboards, the desk, and the table panels. The materials of those furniture parts are coming from KML, which is a Wilsonart Company. Wilsonart is a global manufacturer and distributor of High Pressure Laminates and other engineered composite materials, used in furniture, with a manufacturing site in Shanghai, China. The electronic components typically originate from this geographical region, resulting in relatively short travel distances. The features, such as the tap, the cooking plates, the sink, the plugs will be provided by Leroy Merlin and Ikea, two huge chain shops implemented all over the world. The rails system will be designed and created by the team and manufactured by a partner in the eastern asian region. Amplea will make a call for tenders and choose which one is the most interesting concerning again, the price, the quality, the timings and a sustainable and eco-friendly production. Finally the elevation system is developed by a company located in South Korea and in Japan.
3.9 Stakeholders Management
In the table below, there are the stakeholders and some information about their roles. It is important to identify everything to prepare the contact with each of them. Table 9 shows the stakeholders and their roles.
| Group of people | Role | Influence | Contact with the team | Expectations |
|---|---|---|---|---|
| Suppliers | Provide the components and the raw material | Moderate | During the whole contracts | Written in the contracts |
| Buildings owners | Buy the product and implement this into their accommodations | Moderate | When the trade is made or when there is a malfunction | To not having issues or malfunction |
| Daily users | Using the product. Majority will be tenants from the costumer | High | Review and feedback | Having a functional furniture |
| Governments | Verify that the product is conform | Low | Rarely, when there is a problem | Our product respects their laws |
3.10 Project Plan
In Table 10, the Global Sprint Plan Table is shown. The table shows the optimal print duration of every sprint until the end of the project.
| Sprint | Start | Finish | Status |
|---|---|---|---|
| 1 | 23/2/2023 | 01/3/2023 | Finished |
| 2 | 02/3/2023 | 08/3/2023 | Finished |
| 3 | 09/3/2023 | 15/3/2023 | Finished |
| 4 | 16/3/2023 | 22/3/2023 | Finished |
| 5 | 23/3/2023 | 29/3/2023 | Finished |
| 6 | 30/3/2023 | 02/4/2023 | Finished |
| 7 | 15/4/2023 | 19/4/2023 | Finished |
| 8 | 20/4/2023 | 26/4/2023 | Finished |
| 9 | 27/4/2023 | 03/5/2023 | Finished |
| 10 | 04/5/2023 | 10/5/2023 | Finished |
| 11 | 11/5/2023 | 17/5/2023 | Finished |
| 12 | 18/5/2023 | 24/5/2023 | Finished |
| 13 | 25/5/2023 | 31/5/2023 | Finished |
| 14 | 01/6/2023 | 07/6/2023 | Finished |
| 15 | 08/6/2023 | 14/6/2023 | Finished |
| 16 | 15/6/2023 | 21/6/2023 | Finished |
| 17 | 22/6/2023 | 28/6/2023 | Finished |
| 18 | 29/6/2023 | Finished |
Table 11 shows the Project Backlog. The team kept status of every Project Backlog Item.
| PBI | Title | Status |
|---|---|---|
| A | Define Project | Done |
| B | Global Sprint Plan | Done |
| C | Gantt Chart | Done |
| D | Research | Done |
| E | State of the Art | Done |
| F | Define direction of Solution | Done |
| G | System Diagrams & Structural Drafts | Done |
| H | System Schematics & Structural Drawings | Done |
| I | 3D Modelling | Done |
| J | Marketing Plan | Done |
| K | Eco-efficiency Measures for Sustainability | Done |
| L | Integration of Smart Features | Done |
| M | Interim Presentation | Done |
| N | List of Materials | Done |
| O | Video of the 3D Model | Done |
| P | Packaging Solution/Building Plan | Done |
| Q | Functional Test | Done |
| R | Final Report | Done |
| S | Presentation | Done |
| T | Paper | Done |
| U | Poster | Done |
| V | Upload | Done |
Each sprint plan is planned with a Sprint Planning session. For these sessions, Sprint Plan Tables are made. In Tables 12 till 14, the first three sprints are described respectively.
| Sprint | Task | Duration (d) | Responsible | Involved |
|---|---|---|---|---|
| 1 | A | 7 | All | All |
| Sprint | Task | Duration (d) | Responsible | Involved |
|---|---|---|---|---|
| 2 | A | 7 | All | All |
| 2 | B | 7 | JH | JS,C,A,M,JH |
| 2 | C | 7 | JH | JS,C,A,M,JH |
| 2 | D | 7 | JS,C,A,M,JH | JS,C,A,M,JH |
| Sprint | Task | Duration (d) | Responsible | Involved |
|---|---|---|---|---|
| 3 | D | 7 | All | All |
| 3 | E | 7 | JS | JS,C |
| 3 | F | 7 | A | A,M,JH |
| 3 | G | 7 | M | JS,C,A,M,JH |
At the end of each sprint, the Project Backlog Items are reviewed and updated on their status. This review is done in the Progress Register Table 15.
| Sprint | PBI | Responsible | Involved | Status |
|---|---|---|---|---|
| 1 | A | All | All | Done |
| 1,2 | B | JH | JS,C,A,M,JH | Done |
| 2 | C | JH | JS,C,A,M,JH | Done |
| 2,3 | D | JS,C,A,M,JH | JS,C,A,M,JH | Done |
| 3 | E | JS | JS,C | Done |
| 3 | F | A | A,M,JH | Done |
| 3 | G | M | JS,C,A,M,JH | Done |
Finally, the start and end dates of the key project deliverables are identified. With this, a Gantt chart is build as seen in Chapter 3.2.
3.11 Sprint Outcomes
The first week working on the project, the team defined a product backlog. In this product backlog, the team defined sprints that would be one week long. Each sprint started on the day that a meeting with the coaches was scheduled, and ended the day before the next meeting. Some parts of the project were estimated to take longer than one sprint so this was taking in consideration while making the product backlog. Also important for the backlog was the schedule of ISEP. While making the schedule of the sprints, the holidays had to be taken in consideration. At the end of each sprint, the team met up and talked about the planning of the project. The points that were discussed in these meetings were the following:
- Whether a team member needed help with their task(s) - The tasks that were done - The problems regarding the tasks - The next tasks to do
The sprints can be seen in Tables 16 until 27.
| Product Backlog Item | Assignee | Planned Effort [h] | Completed | Not completed | Notes |
|---|---|---|---|---|---|
| Choose topic | All | 1 | X | The team after selected 3 topics to work at it | |
| Brainstorming | All | 5 | X | After having the topic choosen, the team thought about different ideas to implement |
| Product Backlog Item | Assignee | Planned Effort [h] | Completed | Not completed | Notes |
|---|---|---|---|---|---|
| Define the project ideas together with design thinking | All | 10 | X | Defined project with the design thinking | |
| State of the art | Jan, Mario, Clement | 4 | X | Done, but after the meeting with the coaches, it needs to be redone | |
| Research | All | 5 | X | Looked for products similar to the ideas that we presented. | |
| Motivation | All | 1 | X | Write the beginning points of the introduction chapter | |
| Classes | All | 21 | X |
| Product Backlog Item | Assignee | Planned Effort [h] | Completed | Not completed | Notes |
|---|---|---|---|---|---|
| First sketches | Astrid, Clement, Mario | 10 | X | First sketches of the furniture and which features would have | |
| Select the final project | All | 1 | X | Selected the main project and change the topic | |
| Brand and logo | Julie | 3 | X | ||
| Blackbox | Clément | 2 | X | ||
| References in the wiki | Mario | 2 | X | Know how to work with references and add them in the wiki | |
| Research in the cooking plates | Astrid | 1 | X | Check what cooking plates are in the web | |
| Change the state of the art | Julie, Jan | 4 | X | Redo state of the art | |
| Classes | All | 18 | X |
| Product Backlog Item | Assignee | Planned Effort [h] | Completed | Not completed | Notes |
|---|---|---|---|---|---|
| Project Scope with elevat pitch | Julie | 3 | X | ||
| Do project managment | Jan | 3 | X | Need to define risk, etc. | |
| Start 3D model ideas | Clément, Jan | 10 | X | Done two different versions | |
| Finish introduction | Mario | 2 | X | ||
| Week report | Astrid | 1 | X | ||
| Classes | All | 11 | X | ||
| Product Backlog Item | Assignee | Planned Effort [h] | Completed | Not completed | Notes |
|---|---|---|---|---|---|
| Choose a model | All | 2 | X | One of the two versions selected. | |
| Design the structure of the furniture | Jan | 8 | X | ||
| Design the rail system and table system | Clément | 8 | X | ||
| Leaflet | Julie | 3 | X | First version done, but need the final photos of the design to finish the leaflet | |
| Choose materials | Mario | 6 | X | Materials compared and uploaded to wiki | |
| Define user cases | Mario | 2 | X | ||
| Change gantt chart | Astrid | 2 | X | ||
| Make presentation for the meeting | Clément | 1 | X | ||
| Change project scope | Julie | 1 | X | ||
| Classes | All | 19 | X | ||
| Product Backlog Item | Assignee | Planned Effort [h] | Completed | Not completed | Notes |
|---|---|---|---|---|---|
| Hardware selection | Jan | 2 | X | ||
| Define direction of solutions | All | 1 | X | ||
| Hardware components talk with teacher | Astrid, Mario, Jan | 1 | X | ||
| Start final design, extensible table | Clément | 5 | X | ||
| Start final desing, elevate desk | Jan | 5 | X | ||
| Chapter marketing plan | Mario | 6 | X | only did 4.2 | |
| Define which materials to use | Mario | 4 | X | ||
| Presentation marketing | Julie | 2 | X | ||
| Cardboard model | Astrid, Julie | 4 | X | ||
| Blackbox diagram | Astrid, Julie | 1 | X | Do it more beautiful | |
| Classes | All | 13 | X |
| Product Backlog Item | Assignee | Planned Effort [h] | Completed | Not completed | Notes |
|---|---|---|---|---|---|
| Finish marketing plan | Mario | 3 | X | All chapter market finished | |
| Details schematics | Jan | 3 | X | Must be done in the next sprint | |
| Do user case for software | Mario | 2 | X | ||
| Do software structure for the project | Mario | 2 | X | Presented two different versions (bluetooth and cloud service) | |
| Redo blackbox diagram | Mario | 1 | X | Coaches told us to do some changes | |
| Improve elevation system | Jan | 5 | X | ||
| Improve extension system | Clément | 5 | X | ||
| Choose components to implement | Clément | 3 | X | ||
| Check errors for the wiki | Astrid | 2 | X | ||
| Define elevation sysmtem to use | Jan | 3 | X | ||
| Redesign logo and design photos for the wiki | Julie | 4 | X | Will need to some extra photos for the wiki in the next sprint | |
| Classes | All | 9 | X |
| Product Backlog Item | Assignee | Planned Effort [h] | Completed | Not completed | Notes |
|---|---|---|---|---|---|
| Comparing tables of software technologies | Mario | 5 | X | Tables done | |
| Usercase final diagram | Mario | 3 | X | Done | |
| Detailed schematics | Mario | 2 | X | Done | |
| Powerpoint presentation for the interim report | Julie | 2 | X | Done | |
| Adding table features to the model | Jan | 7 | X | Legs and table system improved | |
| Add space in the wardrobes and improve elevation system | Clément | 6 | X | Elevation system added and space in wardrobe improve | |
| Improve the interim report | Astrid | 9 | X | Done | |
| Improve the logo (final logo) | Julie | 2 | X | Done | |
| Add electric parts in the material list | Mario | 3 | X | Final electric parts added | |
| Write final part of sustianability | Jan | 5 | X | Done and ready | |
| Write final part of the project managment | Clément | 7 | X | Done and ready | |
| Ethical and deontological part | Julie, Astrid | 7 | X | Done and ready | |
| Write final part of marketing | Mario | 4 | X | Done and ready | |
| Classes | All | 8 | X |
| Product Backlog Item | Assignee | Planned Effort [h] | Completed | Not completed | Notes |
|---|---|---|---|---|---|
| Material list definitve (electrical + wood) | Jan | 6 | X | Material list give | |
| First version of the app | Mario | 6 | X | Functional part of the app working | |
| Improvement of the comments made in the interim presentation | Astrid | 7 | X | Checked | |
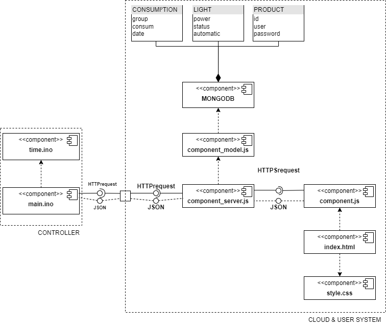
| Improvement of the position diagram | Mario | 1 | X | Done | |
| Class daigram | Mario | 2 | X | Done | |
| Component diagram | Mario | 3 | X | Done | |
| Power budget | Mario | 1 | X | Done | |
| Video of the 3D model | Jan | 5 | X | Done | |
| Redo the adjustments for the furniture | Clément | 8 | X | Done the readjustments commented in the interim presentation | |
| Improve the final logo by the comments of the teacher | Julie | 1 | X | Hope it is all | |
| Flyer done | Julie | 3 | X | Done | |
| Leaflet finished | Julie | 1 | X | Done | |
| Classes | All | 11 | X |
| Product Backlog Item | Assignee | Planned Effort [h] | Completed | Not completed | Notes |
|---|---|---|---|---|---|
| App design | Julie | 6 | X | Done | |
| API done | Mario | 6 | X | Done and api calls defined | |
| Define all the screens of the app | Mario | 6 | X | Done, app has the main windows | |
| Improve market chapter with | Clément | 5 | X | Done | |
| Improve all the chapets by the comments of the communication teacher | Astrid, Julie | 7 | X | Done | |
| Improve video of the 3D model | Jan | 7 | X | Done | |
| Start investigating about the 3D printing | Jan | 2 | X | Done | |
| Classes | All | 13 | X | Done |
| Product Backlog Item | Assignee | Planned Effort [h] | Completed | Not completed | Notes |
|---|---|---|---|---|---|
| First design of the packaging | Clément | 10 | X | Done and ready to be presented | |
| Implement design in the app | Mario | 10 | X | Started but not ended it | |
| Login part of the app | Mario | 5 | X | Done | |
| Start presentation of marketing | Astrid | 7 | X | Done | |
| Write scientific paper (first chapter) | Astrid | 10 | X | Done | |
| Write scientific papers (Second chapter) | Julie | 10 | X | Done | |
| Design 3D | Jan | 10 | X | Done | |
| API done | Mario | 6 | X | Done and api calls defined | |
| Classes | All | 12 | X | Done |
| Product Backlog Item | Assignee | Planned Effort [h] | Completed | Not completed | Notes |
|---|---|---|---|---|---|
| Redo and define pproposed solution 3D design | Jan | 12 | X | Done and ready to be presented | |
| Final packaging solution | Clément | 6 | X | Dona and ready to be presented | |
| Paper (communication and marketing chapter) | Astrid | 5 | X | Done | |
| Paper (Prototype and technology) | Julie | 6 | X | Done | |
| Finish communciation and marketing presentation | Astrid, Clément | 3 | X | Done | |
| Implement all the design in the app | Mario | 7 | X | Done | |
| Preparation for the presentation | All | 1 | X | Done | |
| Classes | All | 14 | X | Done |
| Product Backlog Item | Assignee | Planned Effort [h] | Completed | Not completed | Notes |
|---|---|---|---|---|---|
| Correction packaging | Clément | 4 | X | Done | |
| Make first renders | Julie | 8 | X | Done | |
| Implement canvas.js in the app | Mario | 2 | X | ||
| Make interaction between the app and the API calls | Mario | 5 | X | ||
| Fix stuff of the API so it's consistent and fluid | Mario | 2 | X | ||
| Edit the paper | Astrid | 10 | X | ||
| 3D printing | Jan | 6 | X | Waiting for answer | |
| Classes | All | 9.5 | X | Done |
| Product Backlog Item | Assignee | Planned Effort [h] | Completed | Not completed | Notes |
|---|---|---|---|---|---|
| Read and correct the wiki | Astrid | 8 | |||
| 3D printing | Jan | 2 | X | Waiting for it | |
| Conception of realistic design | Clément | 20 | X | Well started | |
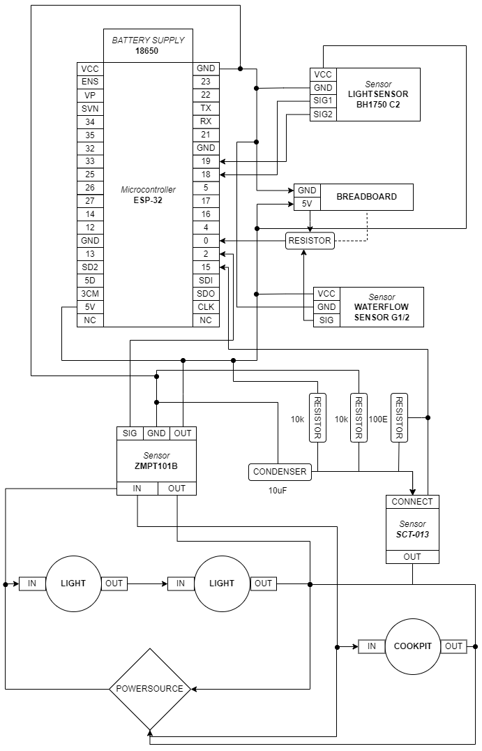
| Connect ESP-32 to the pc and make first sensors connections | Mario | 3 | X | ||
| Simulation | Jan | 12 | X | ||
| Connect Water flow sensor to the ESP-32 | Mario | 4 | X | ||
| Renders 3D and model video | Julie | 6 | X | ||
| Classes | All | 2 | X | Done |
| Product Backlog Item | Assignee | Planned Effort [h] | Completed | Not completed | Notes |
|---|---|---|---|---|---|
| Prototype | Jan | 5 | X | Need to be finished | |
| Conception of realistic design | Clément | 20 | X | Done and uploaded | |
| Redaction Manual | Clément | 10 | X | Only started | |
| Test on sensors | Mario | 9 | X | Need to be finished | |
| Simulation report | Jan | 6 | X | Done and uploaded | |
| Make renders | Julie | 12 | X | ||
| read and edit whole wiki | Astrid | 12 | X | ||
| Software prototype write in the wiki | Mario | 4 | X | ||
| Test software (API calls) | Mario | 1 | X | ||
| Classes | All | 7.5 | X | Done |
| Product Backlog Item | Assignee | Planned Effort [h] | Completed | Not completed | Notes |
|---|---|---|---|---|---|
| Test on sensors | Mario | 15 | X | Done | |
| Project management sprint | Clément | 1 | X | ||
| Calculation of price material | Clément | 1 | X | ||
| Finish details on poster | Julie | 2 | X | Done and uploaded | |
| Redaction Manual | Clément, Julie, Astrid | 15 | X | Done and uploaded | |
| Test and result overleaf | Jan | 4 | X | ||
| Final video | Julie, Jan | 5 | X | Done and upload | |
| Final presentation | Astrid | 5 | X | Done and upload | |
| Final report corrections | Astrid | 15 | X | Done and upload | |
| Report changement | Jan, Clément, Mario | 10 | X | ||
| Finish leaflet and flyer | Julie | 6 | X | Done and upload | |
| Electronical part | Clément | 1 | X | ||
| SolidWorks version B design | Clément | 2 | X | Done and upload | |
| Prototype | Jan | 5 | X | ||
| Shorter video | Julie, Jan | 4 | X | Done and upload | |
| Test software (Usability) | Mario | 4 | X | ||
| Fix bugs app | Mario | 2 | X | ||
| Connect electricity consumption sensor | Mario | 2 | X | ||
| Send http.request from the Arduino | Mario | 3 | X | ||
| Define new route in the API for the sensors | Mario | 1 | X | Done and upload | |
| Add comments in the code for the deliverable | Mario | 2 | X | Done and upload | |
| Do readme in the GitHub | Mario | 4 | X |
3.12 Sprint Evaluations
At the end of each sprint. The sprint evaluation was done. Every evalutation was put in a table. These tables can be seen in Tables 32 until 43.
| Positive | Negative | Start doing | Keep doing | Stop doing |
|---|---|---|---|---|
| Great group, the team works good, first contact with the group so no problems yet | Nothing | Nothing | Nothing | Nothing |
| Positive | Negative | Start doing | Keep doing | Stop doing |
|---|---|---|---|---|
| Working great, no problems | The team still doesn't have a clear idea of what the project will be about | Nothing | Nothing | Nothing |
| Positive | Negative | Start doing | Keep doing | Stop doing |
|---|---|---|---|---|
| Communication and work have been done correctly, teambuilding activity was lovely | Nothing | Nothing | Keep great ambient | Nothing |
| Positive | Negative | Start doing | Keep doing | Stop doing |
|---|---|---|---|---|
| The team has some good ideas, team members work on their tasks and there is no problem | The coaches criticized on tasks that were not important to the team | Better the communication to have a more balanced team | Do the tasks that are given | Nothing |
| Positive | Negative | Start doing | Keep doing | Stop doing |
|---|---|---|---|---|
| Teambuilding regarding the importance of different types of behavior within the team | Nothing | Try to do better the tasks, try pay attention when someone of the group talks | Balance work and talking more about the problems | Try to no comfort with the basics and try to work all the time at class |
| Positive | Negative | Start doing | Keep doing | Stop doing |
|---|---|---|---|---|
| The team talked with the coaches and they give interesting feedback | Some stress to do the milestones | Help eachother where needed | Still working as we are doing | Nothing |
| Positive | Negative | Start doing | Keep doing | Stop doing |
|---|---|---|---|---|
| Vacation, family visits and friends visits, everyone was doing stuff in the vacations | Nothing | Nothing | Enjoy our life in Porto | Nothing |
| Positive | Negative | Start doing | Keep doing | Stop doing |
|---|---|---|---|---|
| Give the interim presentation, more than 50% of the work done | Need to start working on the prototype | Nothing | Nothing | Nothing |
| Positive | Negative | Start doing | Keep doing | Stop doing |
|---|---|---|---|---|
| 3D model given and material list discussed | Changing logo all the time | Nothing | Nothing | Change the logo |
| Positive | Negative | Start doing | Keep doing | Stop doing |
|---|---|---|---|---|
| New logo, report edited by the comments of the teachers | Nothing | Nothing | Still working as we are doing | Nothing |
| Positive | Negative | Start doing | Keep doing | Stop doing |
|---|---|---|---|---|
| Materials got for the electric part, design part defined and presented packaging solution | Nothing | Nothing | Motivation to finish everything in the project | Nothing |
| Positive | Negative | Start doing | Keep doing | Stop doing |
|---|---|---|---|---|
| Progress on the prototype discussed , packaging solution must be looked at | Nothing | Enjoy our near vacations | Nothing | Nothing |
Overall, the teamwork within the group has been very good. After each sprint, the teams met up and talked about the sprint. The team had open communication by explaining their feelings regarding the tasks and discussed the following tasks. For this reason, the team did not suffer from any internal problems. Also, during the team meetings, the suggestions from the coaches were written down by the the secretary of the team. These notes, as well as the logbook, made the new tasks clear for each team member.
3.13 Conclusion
In conclusion, project management plays a critical role in the successful completion of projects. It provides a structured approach for planning, organizing, and executing projects, resulting in improved project outcomes. Effective project management encompasses various elements such as goal identification, resource management, timeline tracking, risk mitigation, and stakeholder communication.
By utilizing project management principles and techniques, the team can optimize resource allocation, manage risks, and ensure that project goals are achieved on time and within budget. Project management also enables teams to effectively collaborate, communicate, and coordinate efforts, leading to increased efficiency and productivity.
It helps in minimizing project risks, preventing delays, and ensuring that projects are completed successfully. It also fosters effective communication with stakeholders, ensuring that expectations are managed, and project progress is transparently communicated.
In the following chapter, the team is going to present the marketing plan, which is an essential tool, in combination with project management, to the success of a project.
4. Marketing Plan
4.1 Introduction
A marketing plan serves as a roadmap for a company's marketing efforts, outlining strategies and tactics to reach specific business goals. The team will present a marketing plan for a new product, a smart piece of furniture that can be used as a kitchen, office desk and dining table, with sensors monitoring energy and water consumption, targeted at people who live in small accomodations.
To start with, a market analysis will be conducted to gain a better understanding of the target audience, their needs, preferences, and behavior. This analysis will enable the team to develop strategies that are tailored to meet the specific needs of our target audience. A SWOT analysis will be conducted to identify the product's strengths, weaknesses, opportunities, and threats, which will guide the marketing efforts and help the team to make informed decisions.
After conducting the market and SWOT analysis, the team will identify the strategies and programs that will be implemented to promote the product in the market. These strategies will include identifying the most effective channels to reach the target audience, such as social media platforms, online marketplaces, and targeted advertising. The idea is also to develop programs that will help to engage with the target audience, such as promotions, events, and other marketing activities.
Overall, the aim of this marketing plan is to develop a comprehensive strategy that will enable the team to successfully introduce this new smart piece furniture into the already existing market. By understanding the target audience, identifying the new product's strengths and weaknesses, and developing effective marketing strategies, the team can increase the chances of success and achieve business objectives.
4.2 Market Analysis
4.2.1 Introduction to Market Analysis
The target consumers are individuals who live in small living accommodations, such as camping houses, small apartments, or student studios. The demand for smart furniture is high among people who live in these small accommodations, and our product will provide them with a practical and affordable solution. Our primary market will be in Asia, where the population density is high, and people live in smaller living spaces.
According to recent statistics, over 33 % of the world's population currently lives in urban areas, and this percentage is projected to increase to 60 % by 2030 [Hannah Ritchie, Max Roser, 2018]. With such a significant population shift, the demand for smart furniture that fits small living spaces will only increase. For that reason, the idea of the new product fits perfectly for those who live in small living spaces. With the increasing demand for smart furniture that can adapt and optimize space usage, the new product is positioned to be a game-changer in the industry. It allows individuals to maximize space, which is crucial for those living in small living spaces. Additionally, smaller furniture is more affordable, making it accessible to a wider range of consumers. With the solution of smart, adjustable furniture, consumers can have a kitchen, an office desk and dining table in one piece of furniture, which will not only save space but also money.
4.2.2 Value proposition pitch
To start the market analysis, the team developed a value proposition pitch where the main keys of the product can be seen as well as in what way and to what audience the product will be sold to. In Figure 6 below, this value proposition pitch can be found.
4.2.3 Status of the market
The market for smart furniture is still relatively new, but it is expected to grow significantly in the coming years.
Since smart furniture is part of the smart home market, the team decided to focus on this market. The market value of Smart Home was 92.48 billion in 2022 and is projected to reach 138.9 billion by 2026. The CAGR is witness up to 10.4 % between the years 2023 to 2026. Inside smart homes, smart furniture is expected to growth the highest CAGR one, up to 24.8 % [MarketsandMarkets, 2021]. This growth can be justified by the increasing popularity of smart homes and the Internet of Things (IoT), more and more people are looking for furniture that can be integrated with their smart devices and provide additional features and convenience as: energy-saving, expansion of smart home products, safety, increasing number of internet users, monitoring, etc. Figure 7 below, shows the quantity of house owners that had implemented different features from the smart homes in their houses, including the topic that we are researching, in the european market.
Having the capacity of operate in every international market, the main consumers will be located in Asia. It is known that Asia is suffering from an overpopulation that directly affects the living spaces in the cities. As seen in Figure 8, the rural population proportion is still slowly decreasing in Japan [Statista, 2023]. It is going to be stable, and it is good for the market's future.
Comparing the different markets present, the asian market stands out from the others. Thanks to its economic and demographic situation, it makes its market one of the most powerful and interesting to integrate the product. We can see different characteristics of different markets in Table 44.
| Market | Revenue (2022)(billion dollars) | Average revenue $ ^ Revenue $ (2023) | Revenue change (2023) | CAGR | Users (2027) | Market volume $ (2027) | Market penetration (2027) (billion) | |
|---|---|---|---|---|---|---|---|---|
| Europe | 28.58 | 449.8 | 35.51 | 24.2 % | 12.15 % | 150.5 million | 56.18 billion | 17.8 % |
| Asia | 46.12 | 304.5 | 55.19 | 19.7 % | 14.26 % | 349.2 million | 94.70 billion | 12.6 % |
| Africa | 1.55 | 156.9 | 1.81 | 16.6 % | 11.30 % | 22.61 million | 2.72 billion | 3.8 % |
| America | 46.12 | 483.1 | 42.89 | 13.3 % | 10.63 % | 140 million | 64.24 billion | 23.2 % |
| Oceania | 46.12 | 756 | 3.90 | 13.9 % | 9.59 % | 10.25 million | 5.63 billion | 31.1 % |
And more specifically, when you look at which countries in these markets are the most important, in the top 5 are the 2 countries mentioned above. This can be seen in the following Figure 9:
For that reason, the team considers that the Asian market is a great one. As seen in Figure 10 [MarketsandMarkets, 2021], it is expected that the smart home market in Asia will have one of the highest growths in the world.
After this research, the team thinks Asia will be a good market for the future product. The constant growth of the market in Asia makes it a gateway to new start-ups and makes investors wait to gain a foothold in the market. This will be useful for the new product.
4.3 PESTEL Analysis
PESTEL analysis is a framework used to identify and analyze the external factors that can affect an organization or industry. The acronym stands for Political, Economic, Sociocultural, Technological, Environmental, and Legal factors (see Figure 11). Each of these categories represents a different aspect of the external environment that can have an impact on the organization or industry. The purpose of PESTEL analysis is to help organizations understand the potential opportunities and threats in their external environment, and to develop strategies to manage them.
By conducting a PESTEL analysis, the group can gain insight into the broader forces that shape our industry and develop a better understanding of the external factors that are likely to impact our business in the future. PESTEL are the stands for: Politcal, economical, sociological, technological, environmental and legal factor.
Political factor
These are the factors related to government policies, regulations, political stability, and political institutions that can affect an organization or industry.
- International and governmental regulations that can be led to make different materials and products. When using physical materials, the price of the product can be affected by regulations imposed by governments.
- Related to the previous point, the continuous attempt of governments to motivate the use of sustainable materials is also an important factor to take into account, since at any time they can apply regulations to certain products.
- As jobs modernize and become safer, governments are implementing laws that seek safe, human-friendly workplaces. This means that both local and national governments can motivate companies to look for products that are as ergonomic as possible.
Economical factor
These are the factors related to the overall economic conditions such as inflation, interest rates, exchange rates, economic growth, and business cycle that can impact an organization or industry.
- The growth of inflation has meant that the most basic day-to-day products have risen in price. This means that the end user does not have the same purchasing power as years ago.
- When you buy a piece of furniture, you want it to be durable. To do this, you have to use quality materials that last for as long as it takes. This means that the products to be chosen are usually expensive because they meet these characteristics.
- Related to the above, the team must also look for sustainable products. They are also expensive.
Sociocultural factors
These are the factors related to the cultural and social environment such as demographics, lifestyle changes, education, values, and beliefs that can impact an organization or industry.
- People are becoming increasingly aware of climate change and the misuse of materials. That is why they often look for ecofriendly products.
- People live in more urbanized areas, this means a decrease in living space and therefore live in smaller areas. That is why more and more products are generated for small homes.
- Related to the above, people also look for efficiency and modernity in the furniture of their house.
Technological factors
hese are the factors related to the technological advancements and innovation that can impact an organization or industry. This includes things like automation, new products and services, and changes in the way people communicate and work.
- The modernization of conventional furniture, applying technology such as IoT, is a fact that has been happening for years and is expected to continue evolving drastically in the coming years.
- The generation of the interconnection of the different devices is always well received among the end users.
- Technology is often related to efficiency. That is why, it is also important for the user.
Environmental factors
These are the factors related to the natural environment such as climate change, resource scarcity, and environmental regulations that can impact an organization or industry.
- As mentioned above, climate change is a topic that concerns a large part of the population. That is why it is necessary to offer products that are sustainable and made of recyclable materials.
- In the most developed countries, the use of materials is legislated and therefore controlled. Therefore, you have to choose products that are in the legal scope and are not dangerous for the population.
Legal factors
These are the factors related to the legal environment such as laws, regulations, and legal institutions that can impact an organization or industry. This includes things like intellectual property laws, labor laws, and consumer protection laws.
In this factor, only the guidelines of the European union and the standards for the furniture of the houses should be followed.
4.4 SWOT Analysis
The SWOT Analysis can be helpful to provide different points of views about the strengths, weakness, opportunities and threats that the product has. After brainstorming, the team made an analysis that will now be further explained.
The strengths in the SWOT
Product
- Monitoring: As monitoring of statistics have become more common in our society, the team considers that providing a way of monitoring the consumption of water and electricity will benefit the consumers.
- Smartifying: A way of smartifying a kitchen and office desk, may be attractive for new investors and new users.
- Useful: This furniture can be a smart way to optimize the space in small places, giving more living space for the user and is useful being multiple types of furniture in one.
- Multifunctional: The product contains three types of furniture in one, a kitchen, an office desk and a dining table.
Market
- New on the market: In the current market, smart furniture like this is not sold, nor something similar. This means competition will be small.
The weakness in the SWOT
Product
- Repair: As the furniture implements mechanical movement, informatics and electricity the repair of these parts can be expensive.
- Mixing elements: The product contains both water and electricity. This can cause dangerous situations.
- Safety: In addition to having both water and electricity, the other features such as the movement and extention of the table need to be safe to use.
- Limited people: The product, being designed to be in small spaces, can not offer the same usability for a family as for an individual.
Market
- Usage of the product: There has to be a large group of consumers with the desire to buy the new product.
- Lack of capital: The manufacturing of the product is expensive and there is not enough capital to provide a real prototype.
- Price of furniture: One of the team's main objectives is to provide the consumer the cheapest furniture possible. Analyzing the market and looking products of the competence, it may be difficult to put a cheap price since it is also about making a profit.
The opportunities in the SWOT
Product
- Creating more space
- Making life comfortable
Market
- Urbanization of the people: The urbanization increases. With this, living spaces get smaller which increases the potential buyers of the product.
- Growing market: With the market analysis we saw that it is a developing market and therefore, a gateway for the team's product.
- Wide target group: The target group contains: rent house owners, students, campers, residents of urban areas, etc. This is a wide range of people which makes the target group big.
The threats in the SWOT
Product
- Consumers are not interested: People won't be interested in the furniture as they want different spaces for using different types of furniture
- Poor quality: If the team wants to provide a cheap product, one of the best ways to do it is getting a low quality materials. The team will need to select materials with the highest quality possible for a low price.
Market
- Big market: There are a lot of big companies in the market providing different products. This makes introducing the product harder
- Main market far away: Having the main market in Asia, makes it harder to deploy our product to, for example, the European market.
- Amplea should apply for a patent to protect the product. This to insure that, when the new product will be successful, other companies on the market can not copy the product.
All these points can be seen in the Figure 12:
4.5 Strategy
4.5.1 Strategic Objectives
Economical objectives
- Enter a growing market of innovative products.
- Create a multi-purpose product that is efficient and sustainable.
- Generate the highest quality of the lowest price.
Customer objectives
- Help users to have more living space in their home.
- Offer users an intelligent piece of furniture that facilitates the control of the consumption and its use.
- Offer a piece of furniture that gives the user multiple uses.
Technological objectives
- Offer a piece of furniture that controls electricity and water consumption.
- Offer interconnectivity between the furniture and the telephone, which will be the end user.
- Smartify the object so it works automatically.
Learning objectives
- Learn to work in an international team with different fields.
- Improve the English language.
- Learn from different fields and gain more experience.
4.5.2 Segmentation
As the team needs to define a strategy for the product, the team is going to use the STP method that stands for Segmentation, Targeting and Positiong. Each of these elements are crucial in creating an effective marketing strategy.
Demographics segmentation
The demographic segmentation are people who live in small spaces, who need to make the most of the available space in their house. This are also people who work from home and needing an ergonomic home-office. Most of these people will be between 18 and 65 years old. The most likely age to work, study and live in small accommodations.
Geographical segmentation
The geographical segment can be defined in the whole of the population that is in developed countries and lives in urbanized areas. This refers, in general, to the northern part of the planet (North America, Europe and North Asia) along with some countries of the southern hemisphere (Australia, New Zealand, Latin America). As mentioned above, the large part of the world's population is increasingly moving to urbanized areas, therefore it is a growing niche. Japan is, after researches and studies, the place which most closely matches the target population.
Behavior segmentation
The end user will be an investor in new technologies who will be interested in smartifying the most basic elements of their house and likes in investing new concepts that makes their life easier.
4.5.3 Targeting
The target group can be defined as people:
- between 18-50 years old
- with previous knowledge of technologies
- who love new technologies
- with a good income and who are willing to spend money on new products
- who live in small spaces
- who work and cook at home
- who seek to reuse spaces
- looking for a piece of furniture that is adjustable
- looking for an ergonomic furniture for their health.
With all these characteristics, there is a defined niche in the market segment.
4.5.4 Competitors
The adjustable furniture market is usually adapted by small companies that are responsible for the development of the product. Secondly, the sales to users in often organized by larger compagnies, which are specified in the decoration and interior design. For that reason, it is not strange to see Ikea investing in the development of this product. Below we have a list of the main competitors of the market.
- Linak (Denmark)
- VidaXL (Netherlands)
- Herman Miller (US)
- Kartell (Italia)
- Knoll (US)
- Steelcase (US)
- Flexispot (US)
- Uplift desk (US)
- Ikea (Sweden)
- Humanscale (US)
- Ergotron (US)
The team did research, looking for similar products in the competence. There are adjustable furniture already made, like for example a wardrobe that can be converted to a table. But there aren't any products related to kitchen having the possibility of being something more. If there is a similar product, the price is mostly very high. this is because the design is more complicated than regular furniture, so the price inflates. For the product, we must look at all the expenses that occur when manufacturing it, in terms of labor and decide on a fair price of the product, depending on an analysis to know how much the costumer would be willing to pay for our furniture.
4.5.5 Positioning
After searching the available products and comparing them with each other, it is considered that the product can have a good market position in comparison with the competition. This can be seen in Figure ##REF:fcompetition_diagram##. The companies have been catalogued by product price and by functionality, which is defined in 4 categories: product smartification, adjustability, ergonomics and design. It can be seen that in the centre of the diagram there are different companies and this is because they all offer similar products with similar prices. On the other hand, there is the case of Humanscale, which offers products with the same functionalities but with prices that double or three times more expensive. There are also companies that have generated similar products but are more adaptable and ergonomic, such as Uplift desk or Varidesk, both of which offer very similar products at reasonable prices. Last but not least, Flexispot offers many of the same products with the same functionalities at an economical price.
The comparison that can be made against the product can be difficult, because as described in the previous sections, the product that the team is producing is not on the market. Being a new product, it is considered to be in an advantageous position compared to the competition. The product will be more expensive than the average, but will offer better quality and more functionality.
4.5.6 Marketing-Mix
The marketing mix is a set of tactical tools and strategies that a companies use to promote and sell its products or services on the market.
Product This refers to the physical product or service that a company offers. It includes features, design, packaging, branding, and quality. Companies must develop products that meet the needs and preferences of their target customers and differentiate them from their competitors.
Amplea can be defined as an attempt to seek ergonomics and adjustability in the smallest possible space, smaritifying the elements that the user is interested in having access to more living space.
Price This refers to the amount of money that a company charges for its products or services. Price is determined by factors such as production costs, competition, and customer demand. Companies must set prices that are competitive and profitable while also providing value to customers.
The price of the product is still approximative since it is not yet in the production phase and has not defined the quantity of materials, nor the labor, etc. But it is clear that you are looking to create an object that has a price accessible to the public and with sustainable materials. In any case, must be clear that we also need a competitive price and that offers benefits that can help cover the expenses generated without fear. Looking at others kitchenet and the prices of the features, the team estimate the product between 900 and 1200 euros.
Promotion This refers to the various methods that a company uses to communicate with its target customers and promote its products or services. Promotion includes advertising, sales promotion, public relations, personal selling, and direct marketing. Companies must create effective promotional strategies that reach their target customers and persuade them to buy their products or services.
For the promotion, modern advertising channels will be used. Looking at the market niche who connects through the internet, promotion on social networks will be most obvious. Social engineering will also be used to advertise by word of mouth. When the advertisement that is carried out is dynamic and innovative, people will start talking about it.
Place This refers to the channels and locations that a company uses to distribute its products or services to customers. It includes factors such as distribution channels, logistics, and inventory management. Companies must ensure that their products is available in the right places at the right times to meet customer demand.
The team seperated the place into two concepts:
- The first would be that the sale was made online and that the warehouses with the product are close to the main points of sale, in this case, it is expected to be Asia. The warehouses must offer a fast packaging and shipment of our product to the final recipient, together with a reliable parcel service that takes care of customer service if the product arrives badly due to transport.
- The other is based on offering excellent customer service before purchase and after purchase, making the customer recommend the product to their friends and family.
4.5.7 Brand
The name of the product is Amplea. Ample means enough, or more than enough. This refers that the product that is being offered is sufficient to meet the expectations of our users: multipurpose, takes up little space and is intelligent. And the E and the A at the end of Amplea stand for ergonomic and adjustable.
The logo consist of two parts, as you can see in Figure 14, the name itself and a kitchen/ desk to implicit the focus on furniture. The mix from the kitchen and desk shows that it is not just one piece of furniture. The first colour of the logo are a peaceful and quiet color, grey, and with that the team added an accent blue colour to implicit stability, peace and trust.
4.6 Marketing Programmes
4.6.1 Programmes
As a team, we have decided to leverage social media as a key channel to advertise our product. Recognizing the importance of reaching the target audience, social media platforms are an excellent opportunity. In order to make the most of this channel, the team will incorporate social engineering into the advertising strategy. The goal is to spark conversations and generate buzz around the product through innovative and engaging marketing techniques.
To achieve this, there will be a focus on creating content that is not only visually appealing but also thought-provoking and shareable. There is a understanding that social media users are bombarded with a constant stream of information and it takes something truly unique and eye-catching to stand out from the crowd. The content will be designed to interest our target audience and convince them to engage with the product.
The team also plan to leverage the power of social influencers to help spread the word about the product. By partnering with influencers who align with the brand values and have a platform to reach a wide audience. The market team will work closely with these influencers to create content that is authentic and resonates with their followers, further increasing the chances of generating buzz around the product.
In summary, the team believes that social media presents a powerful channel for advertising the product. By incorporating social engineering into the advertising strategy, there is an opportunity that can spark conversations and generate buzz around the product, ultimately driving greater awareness and sales.
For physical advertisement, a leaflet and a poster have been made to be able to advertise the product directly and with physical contact to the users. The leaflet can be seen in Figure 15 and 16. The Amplea poster is shown in Figure 17.
4.6.2 Budget
A marketing budget is a financial plan that outlines the anticipated costs associated with promoting and selling a company's products or services. It includes all the expenses related to various marketing activities such as advertising, public relations, direct marketing, trade shows, and social media marketing. These expenses can be seen in Table 45. The main objectives of doing the advertising is:
- Generate greater brand recognition to consumers
- Increase revenue
- Attract investors
- Compete with the competition
| Income | Price (€) | Link |
|---|---|---|
| Budget | 5000 | |
| Team money | 2500 | |
| Expenses | Price (€) | |
| Leaflets | 34 | [360imprimir Company, 2023] |
| Posters | 450 | [letscopy SL, 2023] |
| 700 | [Facebook Company, 2023] | |
| 700 | [Instagram Company, 2023] | |
| TikTok | 700 | [iebschool, 2022] |
| SnapChat | 700 | [alucare, 2022] |
| Youtubue | 700 | [comunicare, 2022] |
| Influencers | 1000 | |
| Total | Price (€) | |
| Income | 7500 | |
| Expenses | 4984 | |
| Diff | 2516 |
After analysing and searching for the amount of money needed to be able to place an advertisement and reach as many viewers as possible on the different social platforms, it has been decided to define the amounts seen in Table 45. There are some expenses that are variable: depending on the number of visits the advertation will have and the time it will be advertised. For this reason, a limit of 700 euro is set for the expenses. It can see that there is money left over. This money will be used for future campaigns, as now: physical campaigns, meetings, in-store promotions, etc.
4.6.3 Control
For the control planning, the team is going to use the method PDCA, which stands for Plan-Do-Check-Act, is a continuous improvement cycle that is widely used in business and other industries to help organizations improve their processes and outcomes. The PDCA cycle is also known as the Deming Cycle or the Shewhart Cycle, named after its originators.The PDCA cycle consists of four phases:
- Plan: In this phase, the organization identifies the problem, sets goals, and develops a plan to address the problem. This involves gathering data, analyzing it, and developing a plan of action to improve the process.
- Do: In this phase, the organization implements the plan and carries out the changes that were identified in the planning phase. This may involve training employees, updating processes, or implementing new tools or technologies.
- Check: In this phase, the organization evaluates the results of the changes made in the “Do” phase. This involves measuring and analyzing data to determine whether the changes have had the desired effect.
- Act: Based on the results of the “Check” phase, the organization takes action to standardize the new process, refine it, or implement additional improvements. This could involve making further changes to the process, training employees on the new process, or documenting the changes.
4.7 Conclusion
In conclusion, after analyzing the market and current trends, it can be stated that our product, the smart adjustable ergonomic furniture, has a great opportunity in the market. It has been observed that there are no similar products on the market, and the focus on functionality and adaptability makes it attractive to a growing end user, which is found in all developed countries. In addition, the product is designed to meet the needs of users living in increasingly populated urban areas, where the demand for products that can provide multiple spaces in one is growing.
The Asian market will be considered as a key area for our marketing strategy, due to the fact that it is one of the fastest growing markets in terms of household smartification, and where the population is increasingly living in urban areas.
In addition, the team is committed to providing our customers with a satisfactory shopping and usage experience. Therefore, it will focus on providing quality customer service and product quality assurance, which allows us to build customer loyalty and ensure customer satisfaction.
Furthermore, it is important to highlight that advertising actions will be carried out through modern and popular platforms such as Youtube, Facebook and Instagram, to reach the target audience effectively and with an attractive message. On the other hand, an innovative strategy that will be implemented to generate word-of-mouth advertising is the use of social engineering in advertising campaigns.
5. Eco-efficiency Measures for Sustainability
5.1 Introduction
This chapter deals in genaral with the sustainability of the Amplea and our company. First, a deeper look will go into de definitions of sustainable development and eco-efficiency. The way these concepts are implemented will be discussed further on, focusing on the three pillars of sustainbility and the Life Cycle Analysis of the Amplea.
Sustainable development
Our Common Future was published on October 1987 by the United Nations. The report is also known as the Brundtland Report, referring to former Norwegian prime minister Gro Harlem Brundtland. Brundtland was the chair of the World Commission on Environment and Development (WCED). “Our Common Future placed environmental issues firmly on the political agenda; it aimed to discuss the environment and development as one single issue [Brundtland et al., 1987].” The report famously defined sustainable development as “Development that meets the needs of the present without compromising the ability of future generations to meet their own needs [University of Alberta, 2018].”
Sustainability is more than just environmentalism; “In addition to natural resources, we also need social and economic resources. Embedded in most definitions of sustainability we also find concerns for social equity and economic development [University of Alberta, 2018].” The concept of sustainability is a holistic approach that covers three pillars; the economic, environmental and social. The three pillars, sometimes better known as people, planet and people, will each be addressed in this chapter. We don’t want sustainability do be yet another part of the job, it should be a guiding influence for the whole project.
Eco-efficiency
Eco-efficiency is a key concept for companies to reach a more sustainable development, considering not only the added value aspect of its activities but also the environmental impacts [Paulo Peças, et al., 2019]. Many companies all over the world have adopted this management philosophy. Eco-efficiency is all about doing more with less. The World Business Council for Sustainable Development (WBCSD) first used the term in 1992 in its publication ‘Changing Course.’ It is based on the concept of creating more goods and services while using fewer resources and creating less waste and pollution [Lidija Čuček, Jiří Jaromír Klemeš, Zdravko Kravanja, 2015].
The WBCD outlined actions to implement eco-efficiency which can be seen in Figure 18.
5.2 Environmental
In the context of the environmental pillar, the focus will be on designing furniture that is easily repairable, disassemblable, and recyclable. The principle of eco-friendliness dictates that furniture should be designed with easy disassembly in mind to prevent it from ending up in landfills. This approach facilitates repairs, prolongs the product's lifespan, and simplifies the recycling process for end-of-life products. Enhancing recyclability is a crucial goal, as furniture constitutes a significant and growing proportion of landfill waste. Therefore, the Amplea should be designed for easy disassembly, sorting, and recycling at the end of its usable life.
The Amplea will be constructed using two main materials: Aluminium and a hardwood composite with a honeycomb core (see Figure 19). Hardwood was chosen for several reasons, including its non-toxic properties. Consideration was given to using engineered woods such as medium-density fiberboard (MDF), plywood, or chipboard for the Amplea. Engineered woods encompass a range of derivative wood products that are manufactured by binding or fixing strands, particles, fibers, veneers, or boards of wood together with adhesives or other fixation methods to form composite materials [Wikipedia contributors, 2023]. Engineered woods offer versatility and numerous design possibilities, and they are also less expensive than solid woods. Plywood, for example, has an excellent strength-to-weight ratio and is a popular choice for furniture due to its durability and strength.
However, there are concerns regarding the sustainability of engineered woods. Firstly, the production process for manufactured woods consumes a significant amount of energy. Additionally, these materials often contain toxic substances, such as formaldehyde, which is used in the glue compounds during manufacturing. Furthermore, laminates or veneers are typically applied to manufactured woods, and these also require the use of glue. While laminates are affordable, customizable, scratch-resistant, fade-resistant, and easy to clean, they cannot be considered sustainable. Laminates are not as durable as solid hardwoods and have a shorter lifespan. Moreover, laminates cannot be refinished, which further reduces their lifespan, and they are non-recyclable. Bamboo, often promoted as a sustainable material, requires substantial amounts of energy, water, and adhesives to transform it into a desktop material. Additionally, once transformed into a desktop, bamboo is no longer recyclable.
In contrast, solid woods are known for their strength and durability, and they require very little energy during the production process compared to engineered woods. Solid woods do not require adhesives, which makes them less toxic. Furthermore, the combination with a core out of recycled cupboard the structural strength will remain and weight will be reduced. By using biodegradable glues the composite can be recycled a lot easier than chemical glues, which are used for MDF.
For the lifting mechanism, aluminium is used. The material is supplied by both primary (around 65%) and recycled (around 35%) metal sources. Aluminium can be recycled using only 5% of the original energy input, without any loss of its inherent properties. For our desk, we’ll be purchasing recycled aluminium. “It requires up to 95% less energy to recycle aluminium than to produce primary metal and thereby avoids corresponding emissions, including greenhouse gases [33].” Reducing the amount of VOC’s and keeping our materials clean were the driving factors behind our material choice. The first feature of eco-efficiency mentioned in the introduction, is reducing the amount of material. We need to find a way to use less material for the desk, while still producing a strong, durable product. Moving very heavy furniture is often more expensive than buying new furniture, especially furniture from fast chains. It is important to think of ways to keep our furniture more light and flexible, also in terms of transport. Our desk, which is illustrated below in Figure 20, is made out of a table top with integrated sink and cooktop, two or one cupboard depending on the configuration the user chooses, a rail system to extend the table and a lifting mechanism. By choosing a solid wood for our desk, our material is quite heavy to start with. By testing our 3D model using simulation software, we can check how thick our material can be too keep it as minimal as possible, while still having a solid and safe construction.
The user will have to assemble the Amplea at home, like IKEA does with their products. This way the different wooden planks, out of which the cupboard and desk are made, can be flat-packed. By making the user assembly the Amplea himself, it is assured that the Amplea is easy to disassemble. As previously mentioned, this will result in easier repairs and better recyclability. This also makes our product more efficient in terms of shipping; if the Amplea can be partly disassembled and flat-packed, carriers can fill their trucks to capacity and prevent additional delivery trips and fuel stops. This isn’t the only thing to reduce the energy intensity; looking for more ways to produce our Amplea more efficiently. Multiple ways are possible, like using more energy efficient techniques, recycling wood waste and sawdust, insulation improvement and replacing old machines. There are lights integrated into the Amplea, which is a LED light. LED lights are known to be more efficient and last longer, as shown in Figure 21.
As mentioned earlier, it is aimed to reduce the dispersion of toxic materials. Solvent-based lacquers contribute to the pollution in a closed room by emitting volatile organic compounds[MDC-UM, 2019]. Examples of these VOCs off-gassed by furniture are flame retardants and formaldehyde. Because of that the decision was made towards natural composites and treat them with natural substances as linseed or tung oil. Those oils are a green alternative to finish wood furniture [MDC-UM, 2019]. They contain no solvent in comparison to conventional solvent-based finishes. Because of this no solvent can evaporate into the air which is benefitial for the environment as well as the health of the users. An other positive fact is, that they do not require any chemicals when cleaning. Water resistance is give aswell as those oils are used in boating, outdoor furniture and kitchens for decades.
An other target is maximizing the use of renewable resources. IKEA, for example, has suppliers that turn wood waste from production into a source for renewable energy. On top of being self-sufficient in renewable energy, they are selling the emerging heat for district heating [IKEA, 2020]. Using recycable materials like aluminium can help avoiding the purchase of additional resources. Enhancing durability is a crucial objective that should be pursued. Departing from the prevailing fast furniture paradigm, it is imperative to construct furniture with the intention of longevity, rather than disposability. Furniture that is built to last can be easily passed on to others in the event of relocation or changing tastes, while broken items are rendered unviable. Furthermore, even reparable items still entail energy expenditure for repairs, thereby highlighting the need for another eco-efficiency measure, namely service intensity. To this end, the incorporation of repair points in the design of the Amplea to facilitate easy mending of broken components is being contemplated. Additionally, exemplary client service is of paramount importance. Inadequate assistance, such as in cases of broken or missing items, may prompt users to discard the entire desk rather than attempting to repair it. Given that the desk is assembled by the end-user at home, a comprehensive manual with lucid instructions must be provided to ensure successful assembly.
In the context of wood-based materials, it is imperative to ensure that the wood used is sourced sustainably, in order to avoid contributing to deforestation and its adverse environmental impacts. Certified wood, which has been verified to be harvested in a sustainable manner, is a preferred choice for this purpose. The certification process typically encompasses various aspects, including the assessment of the impact of harvesting on the surrounding environment, such as the preservation of biodiversity, erosion control, and water resource management, as well as considerations for social justice, including the treatment of workers and impact on local/indigenous communities [Michael Bloch, 2011]. One of the well-known certification systems for wood is the Forest Stewardship Council (FSC) and the Program for the Endorsement of Forest Certification (PEFC). The FSC defines their certification as a voluntary and market-based tool that promotes responsible forest management worldwide, with certified forest products being verified from the forest of origin through the supply chain. The FSC label indicates that the forest products used are sourced from responsibly harvested and verified sources [Michael Bloch, 2011]. The FSC has established 10 principles, as depicted in Figure 22, which serve as guiding principles and form the foundation for all FSC standards.
The Program for the Endorsement of Forest Certification (PEFC) is a global umbrella organization that endorses 30 national forest certification programs. With approximately 800 million acres of land certified, PEFC is recognized as the world's largest forest certification system. In order to gain recognition from PEFC, national systems must undergo a rigorous independent assessment to ensure compliance with PEFC's Sustainability Benchmark. This assessment encompasses various criteria, including stakeholder involvement, forestry requirements, chain-of-custody requirements, and third-party certification and accreditation requirements [PEFC, 2021]. However, these national systems have been criticized for their perceived lack of practical implementation of the standards. Despite these criticisms, we choose to work with them as there is limited certainty regarding the validity of such claims, and the potential benefits achieved through these programs outweigh the potential drawbacks.
5.3 Economical
Nowadays, all big brands make pledges to be more sustainable. This often takes a long time to achieve. “Sustainability encourages businesses to frame decisions in terms of environmental, social, and human impact for the long-term, rather than on short-term gains such as next quarter's earnings report [Mitchell Grant, 2020]. “It is evident that sustainability embedded in business models and products has the potential to enhance economic growth, return on assets, return on equity, internal rate on return and lead to superior stock market performance [Martin V Bennetzen, 2020].” On short term however, companies that commit to the sustainable development of resources may have more modest results in the next term. This makes the whole economical pillar a somtimes a bit difficult. It is of great value to consider sustainability at the beginning of the design phase. This will result in long-term solutions and minimize the need of resources such as material, energy, water. “If a project is well planned and sustainable criteria are implemented in its early approach, the possibility to reduce negative impacts is greater and the cost of criteria implementation is greatly reduced [J. Lu, et al., 2014]”. This is illustrated in Figure 23
“Instead of trying to “force fit” sustainable principles into an existing and often unreceptive manufacturing system, it may be useful to approach the subject from the opposite direction, and consider how functional objects might be designed and manufactured to be compatible with principles of sustainable development [Stuart Walker, 2006]“. We should adopt a different mind-set about costs and focus on increasing the efficiency of the system as a whole. By implementing eco-efficiency measures, we can reduce our ecological impact. Eco-efficiency is all about doing more with less. This translates into an increase in resource productivity, which in turn can create a competitive advantage. Listed down below in Table 46 are the seven principles of eco-efficiency outlined by the WBCD, supplemented by our applications of these principles.
| Number | Principle | Application |
|---|---|---|
| 1 | Reduction in the material intensity of goods or services | -Stuctual tests of the 3D model help to identify weak/strong spots of the material, reducing or increasing material ; using as much as necessary and little as possible material |
| 2 | Reduction in the energy intensity of goods or services | -By designing the Amplea easy to disassemble, it can be packed in a flat way, which gives the carriers the opportunity to fill their containers to capacity and prevent additional delivery trips -Use of LED lighting |
| 3 | Reduced dispersion of toxic materials | - Use of natural substances for the wood treatment (Water-based lacquers are a green alternative for finishing wood furniture |
| 4 | Improve recycability | - Desingning the Amplea for self assembly, an easy disassemle is assured, this leads to possible repairs, recycle and longer life time - Using natural glues for composites makes it easier to recycle in retreat |
| 5 | Maximum use of renewable resources | - Using certified materials to assure the origin and a sustainable source - maximizing the use of renewable resources; e.g. turn wood waste from the production process into a source for new materials or renewable energy by using the excess heat (district heating) |
| 6 | Greater durability of products | - Desingning the Amplea to last for a lifetime (maybe a bit more expensive) |
| 7 | Increase service intensity of goods and services | - Manual/Video with very clear instructions - Good client service |
5.4 Social
Socially sustainable action consists of identifying and managing the impact of companies on people, both positive and negative. The quality of a company's relationships and engagement with its stakeholders is critical. Companies directly or indirectly affect the fate of employees, value chain workers, customers, and local communities, and it is important to proactively manage impacts [44]. Social sustainability begins with the recognition that we can influence ora impact many people. It is important for us to have the support and buy-in of our employees, stakeholders, and the community in which we operate, both locally and globally. We strive to be an inclusive company that strives for equality. In addition, social responsibility is profitable in the long term. It can open new markets, be a source of innovation, attract business partners and employees. However, a lack of social sustainability efforts can hurt business and growth. Consider the Bangladesh factory collapse and its horrific aftermath, followed by justifiable outrage. “While it is the primary responsibility of governments to protect, respect, fulfill and progressively implement human rights, companies can and should do their part. At a minimum, we expect companies to conduct due diligence to prevent human rights abuses and address any adverse human rights impacts associated with their activities [45].”
As a company, we can implement social action at the level of our employees and at the global level. With regard to employees, it is about treating everyone fairly and equally. Good and safe working conditions should always be guaranteed, as well as a fair income. Better maternity and paternity benefits, high-quality safety measures, flexible working hours, learning opportunities, etc. can help our employees identify more strongly with the company. In addition to respecting and applying human rights, we aim to promote and support gender equality and diversity in the workplace. The latter is crucial for a successful company, especially in terms of employee engagement. This means ensuring cultural diversity, gender diversity, religious diversity, and different levels of education and perspectives. Each employee can contribute his or her own perspective and background, which leads to increased creativity and innovation [Cristian Grossmann, 2021]. We should take steps to ensure that this diversity is embraced system-wide, from recruitment through promotion to career development, is promoted. This can be done, for example, through diversity awareness training, implementing equal opportunity policies, and creating an inclusive work environment.
On a global level, we can implement social action through responsible supply chain management practices. This means ensuring that our suppliers and partner companies also comply with social and environmental standards. This can be done through audits, reviews, certifications or partnerships with organizations that promote social and environmental sustainability. We should ensure that there is no forced labor, child labor, discrimination or other human rights abuses in our supply chain.
We can also promote social sustainability locally in the communities in which we operate. This can be done through partnerships with non-profit organizations, fundraising, volunteering or other initiatives that help improve the lives of local people and contribute to social development.
It is important to emphasize that social sustainability should not be viewed as an isolated measure, but as an integral part of a comprehensive sustainability strategy that also takes into account environmental and economic aspects. A holistic approach to sustainability that takes equal account of social, environmental and economic aspects is crucial to achieving long-term positive impacts.
Overall, social action is an important aspect of social sustainability, where companies take responsibility to identify, manage and improve the impact of their activities on people. There is a need to promote a culture of social action in companies and implement measures at different levels to contribute to a more inclusive, equitable and sustainable society.
5.5 Life Cycle Analysis
Life cycle analysis (LCA) has been defined by the EPA as a way to 'evaluate the environmental effects associated with any given industrial activity from the initial gathering of raw materials from the earth until the point at which all residuals are returned to the earth' or 'cradle-to-grave' [Salah M. El Haggar, 2005]. We can use this tool to quantify and qualify the impact of our desk all across its life cycle. As mentioned before, an LCA begins at the cradle stage with the raw materials. It then goes through all of the manufacturing steps and follows the product during his whole lifetime up untill the grave stage. This can be defined as the moment of disposal and/or recycling.The study applies to the full life cycle of a product and is illustrated in Figure 24 [Stephen Gent, et al., 2017].
In this chapter, we will attempt to follow the structure of a real life cycle analysis (LCA) by starting with our goal definition and delineation.
Goal definition and scoping
Amplea is a convertible desk/kitchen for small places. It will allow the user to customize the Amplea according to their needs in every situation. It can be a normal work desk which can be used in different positions like sitting or standing, aswell as kitchen to prepare your meals and can be extended to a larger table to meet with your family and friends for different activities. Therefore the user can decide which position allows him to concentrate the most while working or giving him/her enough space for a certain activity. The focus are people who live in relatively small spaces and need to transform their home by keeping enough space to move. In terms of sustainability, the Amplea should be easy to disassemble, repair and recycle. Focusing on reducing the amount of volatile organic compounds (VOCs) that can be released from the furniture is an other aspect we want to implement. In addition, making our product more eco-efficient throughout its life cycle by considering energy consumption, transportation, etc. will be challenging but is a key thing throughout the process making the Amplea
Inventory analysis and impact assessment
Consumption of energy, water, materials, and environmental releases (e.g. air emissions, solid waste disposal, wastewater discharges) should be identified and quantified in the inventory analysis. The impact assessment should include estimation of the potential human and environmental impacts of everything identified in the inventory analysis. Since we do not have the expertise, time, and/or knowledge to calculate this, we will instead go through the various steps during developing our Amplea. The different steps are procurement, treatment, production, assembly, and transportation; each step will be discussed in terms of sustainability.
1. Procurement
We use aluminum for the lifting mechanism and solid wood composite with a cardboard honeycomb core for the Amplea. Aluminum can be recycled with only 5% of the original energy input without losing its inherent properties. By purchasing recycled aluminum, we are benefiting current and future generations by conserving energy and other natural resources. Since we will be working with wood, it is important to know that the wood is sustainably sourced. Avoiding that the wood which is used contributing to the problems associated with deforestation is a goal to tackle. We will look for Forest Stewardship Council (FSC) and/or Program for the Endorsement of Forest Certification (PEFC) certification, two of the most well-known certification systems. “A product that uses certified wood used, helps to reduce pressure on forests and promote the sustainability of the timber industry.”
2. Treatment:
With regard to the treatment of materials, environmentally friendly methods are used to treat the aluminum and process the wood. In this regard, care is taken to use processes with a low environmental impact and to avoid the use of chemicals or processes that are harmful to the environment.
3. Production:
Energy-efficient methods and machinery are used in the production of the Amplea to minimize energy consumption. Care is also taken to minimize waste and use recyclable materials to reduce environmental impact. The use of renewable energy such as solar power or wind energy can also help reduce environmental impact.
4. Assembly:
The assembly of the Amplea is designed to be simple and efficient to avoid wasting unnecessary time and energy. Care is also taken to ensure that assembly methods are environmentally friendly and that no harmful chemicals or materials are used.
5. Transportation:
Transporting the Amplea from the manufacturing facility to the consumer can contribute significantly to environmental impact, especially over long distances. Opportunities are being thought to optimize transport, for example by using local production sites or sustainable transport methods such as rail or shipping, to reduce the carbon footprint.
In summary, the life cycle analysis of the convertible kitchen/desk, the Amplea, will look to use environmentally friendly materials, minimize environmentally harmful processes, use energy efficient production methods, optimize assembly and transportation, and consider certifications for sustainable wood sourcing. These measures are designed to ensure that the product is as sustainable as possible throughout its lifetime and has as little negative impact on the environment as possible.
5.6 Conclusion
The principle of sustainability should serve as a guiding influence throughout the entire project. The Amplea will be developed with a constant consideration of the four pillars of sustainability, environmental, social, and economic aspects. Efforts will be made to minimize the environmental impact, while also being aware of the potential impact on stakeholders, including the local and global community. Support for the community and employees will be prioritized. The environmental impact of the Amplea is influenced by the careful selection of materials and production processes. The primary objective is to optimize the product's lifespan and minimize the environmental impact through the use of recycled materials while retaining their original properties. The choice of a solid wood shell is motivated by its durability and the potential for treatment with natural substances such as oil. Additionally, the utilization of recycled cardboard for the core material serves to reduce the overall weight of the product and facilitates easy adhesion to the shell due to the presence of fibers. Economically, efficient choices will be made to benefit not only the environment but also the company and its employees. Introducing a product that combines two significant pieces of furniture for a residential space can result in reduced resource consumption, while also offering cost savings to customers compared to purchasing two separate furniture items for their home. Addressing sustainability at the design stage can help reduce negative impacts and implementation costs. The Amplea will be designed with ease of disassembly, repair, and recycling in mind, to prolong its lifespan and avoid premature disposal. Ensuring robustness of the Amplea will contribute to avoiding waste at the end of its lifecycle.
6. Ethical and Deontological Concerns
6.1 Introduction
Deontology is a part of ethics that focuses on the moral duties and obligations individuals have toward each other. It is a normative ethical theory that holds that some actions are inherently wrong or right, regardless of their consequences, according to a clear set of rules. Deontologist believe that there are some ethical principles, such as respect for each other, the duty to tell the truth, are universally applicable and must be followed by everyone, regardless of the circumstances.
Ethics, in general, is the study of moral principles and values concern human behaviour and decision making. Ethics is based in one’s character and not specific rules like deontology. It tries to determine what is right or wrong, good or bad and just or unjust in all different aspects of human life. Ethical theories provide frameworks for analyzing and evaluating moral issues and dilemmas, and offers guidance for individuals and societies to make ethical decisions and choices.
To make the project ethical and deontologically correct we looked from all different angels, and made following section. First of all engineering ethics, where the focus is on engineering duties. Then, sales and marketing ethics, where clear boundaries are set to ensure that the activities remain within a designated and acceptable range. At the end there is also an focus on environmental ethics which is related to the sustainability section and finally liability.
6.2 Engineering Ethics
Ethics and engineering are unseparated of each other. Engineers are expected to exhibit the highest standards of honesty and integrity. This field of study has a big and direct impact on the quality of life for all people. Engineers are expected to be honesty, impartiality, fairness and equity, and must be dedicated to the public safety, welfare and safety. The deontology rules for engineering can vary from one country to another and some countries don’t have a written code of ethics. Amplea is focused the most on the Asian market but is made to use over the whole world. According to [national society of professional engineers, 2019], engineers should follow fundamental cannons, practice rules, and personal obligations. These will now be further explained.
Fundamental cannons:
- Hold paramount the safety, health, and welfare of the public.
- Perform services only in areas of their competence.
- Issue public statements only in an objective and truthful manner.
- Act for each employer or client as faithful agents or trustees.
- Avoid deceptive acts.
- Conduct themselves honorably, responsibly, ethically, and lawfully so as to enhance the honor, reputation, and usefulness of the profession.
Rules of practice:
- Engineers shall hold paramount the safety, health, and welfare of the public.
- Engineers shall perform services only in the areas of their competence.
- Engineers shall issue public statements only in an objective and truthful manner.
- Engineers shall act for each employer or client as faithful agents or trustees.
- Engineers shall issue public statements only in an objective and truthful manner.
- Engineers shall act for each employer or client as faithful agents or trustees.
- Engineers shall avoid deceptive acts.
Professional obligations:
- Engineers shall be guided in all their relations by the highest standards of honesty and integrity.
- Engineers shall at all times strive to serve the public interest.
- Engineers shall avoid all conduct or practice that deceives the public.
- Engineers shall not disclose, without consent, confidential information concerning the business affairs or technical processes of any present or former client or employer, or public body on which they serve.
- Engineers shall not be influenced in their professional duties by conflicting interests.
- Engineers shall not attempt to obtain employment or advancement or professional engagements by untruthfully criticizing other engineers, or by other improper or questionable methods.
- Engineers shall not attempt to injure, maliciously or falsely, directly or indirectly, the professional reputation, prospects, practice, or employment of other engineers. Engineers who believe others are guilty of unethical or illegal practice shall present such information to the proper authority for action.
- Engineers in private practice shall not review the work of another engineer for
- Engineers shall accept personal responsibility for their professional activities, provided, however, that engineers may seek indemnification for services arising out of their practice for other than gross negligence, where the engineer's interests cannot otherwise be protected.
- Engineers shall give credit for engineering work to those to whom credit is due, and will recognize the proprietary interests of others.
The rules show that engineering has a significant impact on the world and the people. For this reason, it is very important to ensure that an engineers' contribution to the world is beneficial and ethical. Engineers should follow the fundamental cannons, practice rules and personal obligation to make sure that they ensure the safety and integrity of the highest standards.
6.3 Sales and Marketing Ethics
Sales ethics as well as marketing ethics are essential to have a responsible business. They involve in honesty, transparency and fair manner, with the best interest of the costumers in mind. Ethical sales practices are important to build a genuine relationship with customers. Therefore, the team will work with some bullet points to enhance ethical sales and marketing. Emphasizing these principles will build a positive reputation, promote customer loyalty, and contribute to long-term business success. For the sales and marketing of Amplea, the focus will be put on the following:
Share clear and truthful information: It is important to highlight the features of the offered product and how the customer will be benefitted with is. While doing this, it as important to avoid making unrealistic promises. This can lead to disappointment and loss of trust for the customer.
Foster trust and credibility with the customer: To ensure a mutually beneficial experience for both the customer and the company, it is important to prioritize trust-building within sales interaction. The goal is to let customers feel heard and valued.
Be accountable: When a problem with the product arises, the responsibility for the fault should be taken quickly and truthfully. The company has to offer a solution to fix the problem for the customer.
Fairness: Fairness within the business signifies to commit to fair prices, good wages, and sustainable development [Lestraundra Alfred, 2019].
6.4 Environmental Ethics
Environmental ethics is a philosophical and interdisciplinary field that studies the moral relationship of human beings to the natural environment. It examines the sustainability, moral responsibility and the value of nature, as well as the consideration of how our ethical beliefs and actions impact the environment and future generations [Andrew Brennan, Norva Y. S. Lo, 2022].
The environmental contamination and degradation of natural resources issues are worsening, so it is important for companies to take immediate action to save the environment. Businesses that follow environmental ethics culture are proven to be more valuable within the industry. Fulfilling environmental responsibilities will also put pressure on other firms that are not willing to undertake environmental responsibilities. Due to these reasons, it is important for the team to take into consideration the effects that the product will have on the environment, whether this is direct or indirect [Monica Veneziani Huma Sarwar Nabila Abid Junaid Aftab, 2022].
In order to provide a environmentally friendly product, the team will focus on making the ecological footprint as small as possible. The first goal is to make the product as environmentally friendly as possible, by sustainable practices throughout the entire value chain, from sourcing materials to manufacturing, packaging, and distribution. By implementing sensors to control the use of electricity and water by the user, the product will also give an insight into the ecological footprint of the user. This part has been detailed addresses in the previous chapter.
6.5 Liability
In the marketing chapter the market of the company was explained. The team will be focussing on the Asian market. Therefore the liability for the furniture companies in Asia will be discussed. In Asia, furniture companies are restrained to several key principles when it comes to liability. The principles for this liability vary depending on the specific country or region. However, there are some general principles that are commonly in many Asian countries. To ensure the liability of Amplea, the team will work by the general principles that will be listed here below:
- Consent with safety regulations: Companies are expected to comply with safety regulations and standards to ensure that their products are safe for consumers. This may include safe materials and proper manufacturing processes. Also conducting quality and control checks.
- Product liability: Furniture companies can be held liable for any defects in their products that may cause harm to consumers. Defects can be design defect, manufacturing defects, or inadequate warnings or instructions.
- Consumer protection: The consumers must be provided with accurate product information. This includes proper usage instructions and warnings.
- Environmental sustainability and ethical practices: Companies are being held accountable for their environmental impact and ethical practices, such as responsible sourcing of materials, proper waste disposal, and adhere to laws and human rights. By complying with the laws and regulations, the company will have to registrate the business, the taxation, and the import/export requirements.
- After-sales support: The company must provide services for handling product complaints, addressing product recalls, and providing refunds or replacements for defective products.
The more specific liability principles for Asia should be further examined when the product will definitely be put on the market.
6.6 Conclusion
Based on this ethical and deontological analysis, the team chose to focus on making sure the manufacturing process will be as responsible as possible. Amplea will be made with the most sustainable materials possible, but still ensure a safe product that complies with the safety regulations. The team will work with suppliers who are transparent with their products and their origins. Furthermore, the engineers will follow the fundamental cannons, practice rules, and personal obligations as listed above. To build a trustable and strong company, the company will be build on honesty, transparency and fair manner, with the best interest of the costumers in mind.
In the following chapter, the project development will be discussed, while all it is components will be explained.
7. Project Development
7.1 Introduction
The following chapter will describe the process of the development of Amplea. The process is devided into multiple topics that will each be adressed. The ideation and the concept of Amplea will be explained. Furthermore the design as well as the packaging will be discussed by explaining the material selection and 3D models. Also the Smart System of Amplea will be made clear while adressing the hardware and the software using a Blackbox. In the last section everything about the system and the system design will be explained. This will be done by explaining the components that will be used, how they are connected and in the end the prototype with the tests that are done as well as the results from those tests.
7.2 Ideation
The team started the project with a different subject named 'Smartification of everyday objects'. While the brainstorming was in process, the team ended up with the idea to smartify a kitchen into multipurpose furniture. This is when the subject was changed to 'Smart Ergonomic Adjustable Furniture'.
For the ideation of the furniture, the idea was to make a multipurpose type of furniture for small houses. The team kept in mind that since the Covid epidemic, people have been working more from home. This was the reason the final idea was to make a small kitchen that could be converted into a working desk. Eventually, to enhance the kitchen into a more social space, the idea of the conversion to a dining table was made. From there on, the different designs for our furniture were discussed.
7.3 Concept
7.3.1 Logo
The name of the product eventually became Amplea. Ample means enough, or more than enough. This refers that the product that is being offered is sufficient to meet the expectations of our users: multipurpose, takes up little space and is intelligent. And the E and the A at the end of Amplea stands for ergonomic and adjustable.
The logo has gone through many changes, which can be seen in Figure 25. First the name was AmplSEAF making it appear in the first versions of the logos, later this was changed to Amplea, the current name. During the process of the logo, the font, the colours of gray and the symbol were played with. The first versions of the logo are rather static and with little movement, this was modified in the last 3 logos to a more dynamic form. In the final logo there are 3 types of gray. These refer to a function of the design. Namely the darkest gray refers to the kitchen, the middle gray to the standing desk, and the light gray to the kitchen table.
7.3.2 Concept
The initial phase of the project involved brainstorming design ideas, considering both technological and financial factors. Three options were identified: a manual system, an automated system, or a combination of the two. After some consideration, it was decided to proceed with a design that combined manual and automated elements to make the product easy to use but not too expensive. Two different designs were created. The first design involved using the cabin door as a table as shown in Figure 26.
The second design contains a support system from underneath the work desk using rails, which are used to support the extended table top. This idea is shown in Figure 27.
The initial concept presented a higher degree of creativity and originality, but requires a greater complexity in user manipulation. In addition, upon installation, the design posed difficulties for users in accessing the cooking plate without causing discomfort to their backs. As a result, the team ultimately went with the second design, which is more easy to use and allows convenient access to the cooking plate, even when the table is extended. Notably, the second design also permits the table to be elevated, a feature that was not possible with the first design.
7.4 Design
7.4.1 Structure
7.4.1.1 Possible material to use
Although the team chose the second type of solution, several modifications had to be made to improve the ergonomics and technology of the chosen solution. Initially, the table was meant to be placed next to the work desk, but this would have obstructed access to the sink and cooking plates. Additionally, the stools were originally intended to be integrated into a cupboard, but this would have taken up too much space. Finally, the team had originally planned for the height of the working desk and the table to be adjustable at any time, but making the legs of the table automatically adjustable would have been prohibitively expensive. To solve this problem, a sensor was integrated into the design that would prevent the raising and lowering of the table if it was extended. This would allow users to adjust the height of the table when it was placed under the work desk, while also keeping costs as low as possible.
On the cooking desk, there are two standard electrical plugs and two USB ports. The purpose of the USB ports is to charge mobile phones, while the standard plugs can be used to power a computer, coffee machine, or other cooking appliances.
The desk can only be elevated when the table is not extended. This is achieved through a microcontroller that analyzes data from a magnetic sensor. The user can then control the elevation of the desk using a lever, allowing for a height range of 72.5 cm to 102.5 cm, suitable for standing or sitting work.
Regarding the kitchen, the cooking plate can be concealed by closing a small hatch. Storage options include two large cupboards on each side of the desk or only a single cupboard to save space. There is also storage space available under the cooking desk, which can be utilized according to the customer's needs. The lights will be able to adjust themselves thanks to a sensor. It is also possible for the user to manually adjust them. The consumption of water and electricity will constantly be tracked by the system and the user will be able to see the tracking on their individual app.
The process of designing and building furniture involves several critical steps, and material selection stands out as a vital aspect. In Table 47 a comprehensive overview of potential materials, are shown.
General wood
| Material | Description | Pros | Cons |
|---|---|---|---|
| Solid wood (birch, maple, oak, pine) | Solid wood refers to timber that is obtained by milling trees directly. The unique features of each type of solid wood, such as grain pattern, color, and texture, distinguish it from other types. | -Strong -Durable -Natural (not synthetic) -Good ability to receive nails and screws -Uses very little energy during the production process -Does not warp as easily as many engineered woods -No fillers or adhesives are used -Easy to repair -Recyclable | -Heavy weight -Expensive -Susceptible to stains |
| Engineered Wood (MDF, plywood, particle board) | Manufactured wood is composed of wood fibers that are held together with adhesives. | -Versatile -Durable -Results in smooth surfaces -Flexible -Uses wood waste -Lightweight | -Likely to expand or warp -Has to be finished with laminates or veneer -Uses a tremendous amount of energy as well as potentially toxic materials (since formaldehyde often forms part of the glue compounds used during the manufacturing process) |
| Laminate | Constructed by pressing together layers of heavy-duty paper with a compound known as melamine, which hardens into a resin (creates a solid veneer, which can then be covered in a thin decorative layer). There is a difference between HPL and LPL: the latter tends to cost less because it is less expensive to manufacture. | -Durable -Affordable -Incredibly customizable -Resistant to scratch and fade -Easy to clean -Flame retardant -Some types have antibacterial properties | -Not as strong as solid hardwoods -Non-recyclable -Shorter lifespan than solid woods -Toxic -Susceptible to water damage -Shows stains and fingerprints -Lack of natural feel -Cannot be refinished |
| Bamboo | A very fast growing grass. The material is strong but flexible, which is a rare combination. | -Strong -Durable More scratch-resistant than most hardwoods -Resistant to swelling and moisture -Some types are antibacterial -Lightweight and easy to move | -Immense amounts of energy, water and adhesives are required to re-form bamboo into a wood desktop -Not recyclable |
| Composite with core-material (honeycomb) | Comination of a solid wood outer layer and a honeycomb core; light weight by high stiffness and durability | -Resource conservation -Reduced waste -Energy-efficient manufacturing -Low VOC emissions -Durability and longevity -Versatility | -Young technic -delamination -Higher production costs |
Engineer wood
Inside the engineer woods, the following 4 different types could be options for the build of the Ample. These types of wood are presented in Table 48.
| Material | Description | Pros | Cons |
|---|---|---|---|
| Chipboard | It is build up from rest of wood together with resin It has rough surface | Very cheap, it has different types: for fire, water, resistant, sustainable | The glue is it dangerous for the health, if it suffers any cut, may it would be starting damage from there, is not good against humidity (it gets bigger), the surface is rough, so I can be uncomfortable to use it |
| Plywood | Made by different types of woods, it is a combine of different plates of woods glued between them | Different types of wood It is not expensive, but not the cheapest, resistant, it is smooth surface, easy to work with it, it can use outside as it has features against humidity. | Most of features depends of the wood used. |
| MDF | Made from subproducts of wood with resin Not the same as chipboard | Resistant against humidity and fire strong, smooth surface, it is not used to expand or incur | It is not recommendable to work as they have issues when you are putting screws, the dust left by working with its dangerous (or may if it is cut by accident), can absorbe too much water and damaged itself. The weight if it is not correctly shared in the surface may can produce problems. |
| OSB | Made of little parts of wood that stick together with clay and pressure | Resistant to fire and water Resistant against fungus, have high capacity for weight, can be work easily, it does not have any bad point, isolation against sound and temperature, sustainable | Surface is rough, have not too much capacity to resist humidity, it weights more that others solutions. |
In comparison, two materials as hardwood honeycomb composite and medium-density fiberboard were most suitable for Amplea. Hardwood honeycomb composite offers several advantages over medium-density fiberboard (MDF) in terms of sustainability, resource conservation, lightweight and strength, durability and stability, versatility, aesthetics, and customizability. Hardwood honeycomb composite is often considered more environmentally friendly due to its efficient use of wood resources and potential incorporation of recycled materials. It is also lighter in weight while still maintaining good structural strength compareable with high pressure laminates[KML Design Finishes, 2023], making it suitable for various applications where weight reduction is important. Additionally, hardwood honeycomb composite is designed to be durable, stable, and moisture-resistant, making it a reliable choice for long-term use. Its versatility in design and application options, as well as its customizability in terms of specifications, provide flexibility for various uses. Furthermore, its natural wood grain and high-quality appearance offer aesthetic benefits. Overall, hardwood honeycomb composite is a viable alternative to MDF for those who prioritize sustainability, efficiency, performance, versatility, and aesthetics in their material choice.
Metals
Firstly, to connect the door of the cabinet, hinges will be required. A minimum of three hinges will be needed for a wardrobe that is approximately 2 meters in height. For prototype B, which consists of two wardrobes, a total of six hinges will be needed. Various materials can be used for the hinges, such as:
- Metal: The most typical metals for the furniture are: steel, zinc, bronze, aluminium and brass.
- Plastic
- Stainless steel
The different types of metal are compared in Table 49.
| Material | Pros | Cons |
|---|---|---|
| Steel | Cost-effective compared to stainless steel, strong and durable, easy to work with and manufacture, suitable for indoor use | Prone to rusting and corrision if exponed to humidity, requires regular maintenance, not suitable for outdoor, may not be very resistant over the pass of time |
| Aluminium | Non-corrosive, easily machined and cast, light, durable, non-magnetic, recyclable. Cheapest Material | Can be easily dented or scratched also compared with steel, so the steel is a little bit stronger material |
| Zinc | Corrision-resistant (can be used in kitchen), durable and long-lasting, can be easily work, ligthweigth and easy to install | Not strong as other materials, may not hold up heavy weight, can become brittle over time and break under stress, not suitable for high-temperature environments (near stoven or ovens), not safe for heavy doors |
| Bronze | Highly durable and long-lasting, resistant to corrosion and rust, easily polished to maintain the appearance, secure hold for heavy doors | More expensive than steel or zinc, heavy and may require additional support if the door is large, may require periodic maintenance to prevenent tranishing, may not suitable for high-temperature environments (near oven or stove) |
| Brass | Highly durable and long-lasting, resistant to corrosion and rust, easily polished to maintain the appearance, secure hold for heavy doors, suitable for high-temperature environments | More expensive than the others materials, may required support for large doors, periodic maintenance, more prone to wear and tear compared with stainless steel |
| Plastic | Ligthweight and easy to install, resistant to corrosion and rust, affordable and widely available, can be easily modified, suitable for use in a kitchen or bathroom, do not used to make noises | Less durable and long-lasting, can break when used for heavy weight, may no provide a strong hold for heavy doors, can be difficult to repair. |
| Stainless steel | Highly resistant to rust and corrosion, low maintenance, suitalbe for outdoor and indoor, durable and long-lasting | More expensive than normal steel, harder to work with, may not suitable for every type of door or cabinets |
In the selection of hinges, there are various types that can be utilized. Some examples of hinges that can be considered include:
- Book hinges: Book hinges are a type of hinge that are commonly used for wardrobe doors. They are characterized by their ability to allow the door to swing open a full 270 degrees, which allows for maximum access to the contents of the wardrobe.
- Bowl hinges: Bowl hinges are a type of concealed hinge that are commonly used for wardrobe doors. They are characterized by their ability to be completely concealed within the door and the cabinet, which provides a clean and seamless look.
In the selection of bowl hinges, there are various types:
- Straight hinge: One of the most common. Has an aperture of 110 degree.
- Angled hinge: It is the one that allows the door not to cover the side of the entire module, and also has a 110 degree opening. Angled hinges are the most used type of door hinges.
- Super-layered hinge: It is used to attach the door of the furniture with the furniture itself, so that it can be opened and closed. Its opening is also 110 degree.
- 180 degree opening: They are used for overlapping doors in small furniture. They have a 180 degree aperture, as the name suggests.
- Invisible hinge: As its name indicates, this hinge can not be seen. It has a 180 degree aperture. There are two types: cylindrical (for folding tables and kitchen furniture) and normal. The advantages and disadvantages of the different hinges are shown in Table 50.
| Hinges | Pros | Cons |
|---|---|---|
| Book hinges | Maximum access to the contents of the wardrobe, often used with a soft-closing mechanism for smooth and quiet closing, can be adjustable, can be used on heavy or large wardrobe doors | More expensive than other types of hinges, may need additional space to accommodate the swing angle, may not be suitable for small wardrobes, complex installation |
| Bowl hinges | Completely concealed, provide clean and seamless look, can be adjust to fit properly, used to come with a soft-closing mechanism, can be use in a different variety of door, can be used inset and overlay doors | Expensive, it may require specialized tools for installation, adjustments are difficult to do once it is installed, not suitable for heavy or large doors |
| Invisible hinge | Completely hidden, can be adjustable to ensure fitting, soft-closing mechanism, can be used on a variety of doors, can be used inset and overlay doors | Expensive, may require tools for installation, there are not adjustments after installing, may not suitable for heavy or large doors |
Lifting mechanism For adjusting the table to the most ergonomic positions for the user, a lifting mechanism is needed. The system should be useable in an easy and efficient way, that the user feels flexible and comfortable to use the desk for different activities. This kitchen/desk should range between 725 mm and 1025 mm The range of height refers to the researched average height of the population and will be adjusted on the market we want to enter with our product. Because of the mechanical mechanism, the height can be adjusted to every height within the range. Table 51 illustrates the comparison between different lifting mechanisms which are available on the market.
7.4.1.2 Provisional material list
Given that the measurements of the furniture have been determined, the team can now proceed with selecting the approximate sizes of the materials and determining the necessary quantities. Having conducted prior research on the available material options, a provisional list will be compiled, specifying the distances and measurements of each material to be used, along with their intended purpose. It should be noted that this list is subject to revision as the project progresses, and adjustments may be made to the distances or quantities as needed. The element lists for both the versions of Amplea can be seen in Tables 52 until 56.
| Identifier | Name | Measurements (cm x cm x cm) | Supplement | Quantity | Material | Density (kg/m3) | Price (€/kg) (Aprox) | Price (€) |
|---|---|---|---|---|---|---|---|---|
| RS | Rails start | 60 x 4 x 2 | 8 x 7.5 x 1 (a piece by unity) | 2 | Aluminium | 2700 | 1.42 | 4.1 |
| RP | Rails part | 60 x 4 x 2 | 6 | Aluminium | 2700 | 1.42 | 11.0 | |
| L | Legs | 66 x 4 x 2.5 | 2 | Aluminium | 2700 | 1.42 | 5.1 | |
| EL | Extra legs | 60 x 2 x 2 | 42 x 1.5 x 2 (only one piece) | 2 | Aluminium | 2700 | 1.42 | 2.3 |
The main product will be the Version A. It is the one, the team worked the more on it. There is no big difference with version B, exept the size. Version B is there to allow really small accommodation to use Amplea. It loses one big cabin and gets one three times smaller.
Version A
The measurements are not accurate, but they give a good idea of final prices. The prices (€/m²) are different from the ones will have, it is an estimation.
| Identifier | Name | Measurements (cm x cm) | Thickness (cm) | Quantity | Material | Price (€/m²) (Aprox) | Price (€) |
|---|---|---|---|---|---|---|---|
| WS | Wardrobe sides | 70 x 200 | 2 | 2 | Composite HPL | 203.95 | 571.1 |
| WTB | Wardrobe top and bottom | 54 x 72 | 2 | 2 | Composite HPL | 203.95 | 158.6 |
| WDB | Wardrobe door and back | 64 x 200 | 2 | 2 | Composite HPL | 203.95 | 522.1 |
| S | Shelves | 50 x 68 | 2 | 4 | Composite HPL | 203.95 | 214.1 |
| D | Desk | 150 x 70 | 2 | 1 | Composite HPL | 203.95 | 214.1 |
| TS | Desk sides | 70 x 9 | 2 | 4 | Composite HPL | 203.95 | 51.4 |
| TBF | Table back and front | 150 x 9 | 2 | 2 | Composite HPL | 203.95 | 55.1 |
| AT | Auxiliary tables | 60 x 50 | 0.5 | 3 | Composite HPL | 53.66 | 48.3 |
NOTE: The problem with the hinge is that we don't know yet which one we are going to use, as the team has not the SolidWorks design of them. However, those from Leroy Merlin, seen a bit after get a good idea of the price. Again it is not accurate because the model way not be the same and Amplea will order big quantity of their product.
| Identifier | Name | Measurements (cm) | Quantity | Material | Price (euros) |
|---|---|---|---|---|---|
| SH | Hinge | NA | 3 | steel | 8.18 |
Version B
The measurements are not accurate, but they give a good idea of final prices. The prices (€/m²) are different from the ones will have, it is an estimation.
| Identifier | Name | Measurements (cm x cm) | Thickness (cm) | Quantity | Material | Price (€/m²) (Aprox) | Price (€) |
|---|---|---|---|---|---|---|---|
| WS | Wardrobe sides | 70 x 200 | 2 | 4 | Composite HPL | 203.95 | 1142.2 |
| WTB | Wardrobe top and bottom | 54 x 72 | 2 | 2 | Composite HPL | 203.95 | 371.2 |
| WDB | Wardrobe door and back | 64 x 200 | 2 | 2 | Composite HPL | 203.95 | 1044.2 |
| S | Shelves | 50 x 68 | 2 | 4 | Composite HPL | 203.95 | 428.2 |
| D | Desk | 150 x 70 | 2 | 1 | Composite HPL | 203.95 | 214.1 |
| TS | Desk sides | 70 x 9 | 2 | 4 | Composite HPL | 203.95 | 51.4 |
| TBF | Table back and front | 150 x 9 | 2 | 2 | Composite HPL | 203.95 | 55.1 |
| AT | Auxiliary tables | 60 x 50 | 0.5 | 3 | Composite HPL | 53.66 | 48.3 |
NOTE: The problem with the hinge is that we don't know yet which one we are going to use, as the team has not the SolidWorks design of them. However, those from Leroy Merlin, seen a bit after get a good idea of the price. Again it is not accurate because the model way not be the same and Amplea will order big quantity of their product.
| Identifier | Name | Measurements (cm) | Quantity | Material | Price (euros) |
|---|---|---|---|---|---|
| SH | Hinge | NA | 6 | steel | 16.35 |
7.4.1.3 Fix parts
The final product will require the procurement of items that are readily available in the market. Table 57 presents a comparison of features, including both affordable and premium options, for each item.
The price for these features will be between 300 and 600 euros. A possibility could be to give the customer the decision between different models to target their own price category.
7.4.1.4 3D model with load and stress analysis
The team started making a Solidworks design to explain and develop all the ideas. The issue with this design was that it was not realistic. The cupboard was made in one piece instead of multiple ones assembled, the rails were not fixed, some parts just went into others parts. Therefore, the team decided to make a new one that is showed in Figure 28.
Unfortunately all the following problems can not be solved for now:
- The extension system (included the legs) will be change by the supplier to implement stop range system to the extension. They also need to implement a system that temporally fix the leg (avoid rotation) in two positions: being stock or touching the floor.
- The elevation system will also be supply by a company and the 3D design of the product is not available free of charge. They will provide it when we will place an order.
- It is the same for the features such as the sink, the tap, the cooking plates, the lights, the hinges for the cupboard's doors and the plugs.
- It is not shown in the Solidworks Assembly but the visible screws will be hidden.
- It is not shown in the Solidworks Assembly but to assemble the extendable table plates, springs have been used. It is not removable however the team thinks that if it is damaged all the plates need to be changed.
- It is the same for the drawer which hides the extension system.
- All the sensors are not represented as well.
The elevation system, the sensors and all the features, even if they are represented, are not fixed on the product.
A disadvantage of Amplea is the amount of screws (almost 200), however they play an important role in the sturdiness of the product. The team chose that they follow the ISO code and they all are M5-30×30. The costumer will not struggle with this potential issue of having different types of screws. The assembly of the cupboards is easy and very similar from the other available in the market. All the screws that are visible will be hidden with screw caps.
Amplea will be equipped of pipes and electrical cables able to supply the features and sensors whatever the height of the desk. They will be placed so as to not stuck/destroy the product and to not damage themselves.
7.4.1.5 Colour palette
The colour palette of the Amplea logo can be seen in Figure 30.
7.4.2 Smart System
7.4.2.1 Hardware
The smart system requires several hardware components to enable the tracking of water and energy consumption, as well as adaptive light management, and providing the necessary information for the software on how to handle and operate it effectively. The processors and sensors used in the system are presented in Table 58 untill 62, and decisions regarding their selection are made based on their characteristics.
| Name | Wireless Connection | Main Characteristics | Dimensions | Price [€] | Photo | Link |
|---|---|---|---|---|---|---|
| Arduiono Nano 33 IoT | Wi-Fi, Bluetooth | USB connector: Mircro USB/ Pins (Built-in LED, Pin: 13, Digital I/O Pins: 14, Analog input pins: 8, PWM pins: 5, External interrupts: All digital pins)/ Communication (UART: RX/TX; 12C: A4(SDA), A5 (SCL); SPI: D11 (COPI), D12)/ POWER (I/O Voltage: 3.3V; Input Voltage (Norminal): 5-18 V; DC Current per I/O Pin: 7 mA)/ Clock speed (Processor: SAMC21G18A, 8 MHz)/ Memory( SAMC21G18A: 256 kB SRAM, 1 MB flash) | 18 mm x 45 mm; 5 g | 12.99 | ||
| Raspberry Pi pico RP2040 + Adafruit AirLift-ESP32 Wi-Fi Co-Processor | Wi-Fi | Dual-core Arm Cortex-M0+ processor, flexible clock running up to 133 MHz/ 264 kB on-chip SRAM/ 2 MB on-board QSPI Flash/ 26 multifunction GPIO pins, including 3 analogue inputs/ 2 × UART, 2 × SPI controllers, 2 × I2C controllers, 16 × PWM channels/ 1 × USB 1.1 controller and PHY, with host and device support/ 8 × Programmable I/O (PIO) state machines for custom peripheral support/ Supported input power 1.8–5.5 V DC/ Operating temperature -20 °C to +85 °C/ Castellated module allows soldering direct to carrier boards/ Drag-and-drop programming using mass storage over USB/ Low-power sleep and dormant modes/ Accurate on-chip clock/ Temperature sensor: Accelerated integer and floating-point libraries on-chip | 21 mm x 51 mm | 12.99 | ||
| Wemos D1 R32 C/ESP32 | Wi-Fi, Bluetooth | ESP32-WROOM-32 in Arduino UNO form factor Working Voltage: 3.3 V DC Input Voltage: 5-12 V DC Wi-Fi: 802.11 b/g/n/e/i (802.11n up to 150 Mbps) Bluetooth: v4.2 BR/EDR and BLE specification RAM: 520KB Flash Memory: 32Mb (4M bytes) Power consumption: Max current: 250mA Sleep current: 0.15mA Active without WiFi current: 20 mA Operating Temperature: -40 °C > +85 °C | 68.5 x 53.7 mm | 11.90 | ||
In terms of cost consideration and function to connect via WiFi, which is required for the app, the Wemos D1 R32 C/EPS32 board was chosen.
7.4.2.2 Blackbox
In the initial proposal of the blackbox, the aim was to automate the various processes related to furniture (Figure 29). This included plans to implement a digital screen that would enable direct interaction between the user and the furniture, as well as automation of the height adjustment feature for the work table. Another crucial aspect was the control of kitchen plates and the extractor. However, it should be noted that these ideas were generated during brainstorming sessions and were not thoroughly assessed for factors such as power requirements or the need for additional motors to enable automation, as is currently being considered for the automatic lifting of the table.
Old blackbox diagram:
When we started with the design we realized that there were some features that were difficult to implement. That is why, after being embodied our idea we saw that the blackbox we had did not adapt to the ideas that were being realized. In Figure 32, the new blackbox is shown. The team removed features to add more rudimentary but simpler solutions. Some of these features are:
- Replacement of the digital panel with a Webapp application.
- Elimination of the control of the kitchen plates and the extractor through the app.
- Elimination of the automation of the elevation of the table.
New blackbox diagram:
7.4.2.3 Detailed Schematics
The electric schematics of the system for Amplea can be seen in Figure 33.
7.4.2.4 Power budget
In Table 63, the power budget of Amplea is shown.
| Element | Maximum power consumption (W) |
|---|---|
| Cookpit | 3400 W |
| Lights | 9 W |
| ESP-32 | 0.864 W |
| ZMPT101B | 0.01 W |
| Light sensor | 0.3 W |
| Water flow sensor | 0.075 W |
| Total | 3410.249W |
These data was extracted via the specifications of each component. The formula used was Watt = Amp x Volt.
7.4.2.5 User cases
Figure 34 shows the user case of the system.
1. User case
| Topics | Definition |
|---|---|
| Description | This user case is when the user want to check the electricity and water consumption. Before checking the consumption, must have a connection realized with the furniture |
| Actors | User |
| Trigger | The user wants to check how much water and electricity did consume |
| Preconditions | None |
| Postconditions | None |
| Normal flow | Step 1: The user needs to do a connection between the app and the furniture. Alternative flow (step 1a): There went something wrong, so the user can try to connect again or call IT support. Step 2: Have access to the data of his furniture and can check how much consumed. |
2. User case:
| Topics | Definition |
|---|---|
| Description | This user case is when the user wants to manage the lights on the furniture. Can have turn them on and off and adjust the lights of the furniture always that the sensor of the lights is not activated. |
| Actors | User |
| Trigger | The user wants to manipulate the lights. |
| Preconditions | None |
| Postconditions | None |
| Normal flow | Step 1: The user needs to do a connection between the app and the furniture. Alternative flow (step 1a): There went something wrong, so the user can try to connect again or call IT support. Step 2: User can control the light. Can turn on or off the lights, sensors of the light and adjust the light under the previous defined conditions. |
7.4.2.6 Platforms and software selections
The connection of the interface is possible in 2 different ways. One of them and the most common in the user choice, is the through WiFi. As WiFi it is very reliable, the most important and dangerous risk of doing using this environment is the safety issue. For implementing this system, a webservice or protocol can be defined to send data. The main difference between these protocols and the webservices, is that the webservice is not used to sending data that is needed to be instantaneous. When the protocols are used, it is because the requested data has to be transferred directly. For the protocols, the use of MQTT is the best option as it is one of the most popular at the moment and the team has experience working with it.The webservice system is shown in Figure 35. The comparison of different design technologies can be seen in Table 64 untill 66.
| Technology | Lenguage | Performance | Ease of use | Community support | Cost | UX |
|---|---|---|---|---|---|---|
| AJAX | JavaScript, HTML, CSS, XML | Can be fast and efficient for basic data retrieval, but can become slow with larger datasets and complex queries | Relatively easy to use for basic tasks, but may require more advanced skills for complex interactions and optimization | Large and active community support, with many resources available online | Free and open source, with no additional costs | Can provide a good user experience, but may require additional effort for complex interactions and data manipulation |
| React | JavaScript, HTML | Very strong performance and scalability, optimized for complex applications with large datasets | Can be complex and difficult to use for beginners, but offers advanced features and customization options | Large and active community support, with many resources available online | Free and open source, with no additional costs | Can provide a highly interactive and dynamic user experience, but may require more development time and effort |
| Angular | TypeScript, JavaScript | Fast and efficient, with a virtual DOM for optimized rendering | Relatively easy to use for basic tasks, but may require more advanced skills for complex interactions and optimization | Large and active community support, with many resources available online | Free and open source, with no additional costs | Can provide a highly responsive and interactive user experience, with a focus on component-based architecture |
| VueJS | JavaScript,HTML,CSS | Very fast and efficient, with a virtual DOM for optimized rendering | Easy to use, with a simple and intuitive syntax and structure | Large and active community support, with many resources available online | Free and open source, with no additional costs | Can provide a highly interactive and dynamic user experience, with a focus on simplicity and flexibility |
| Bootstrap | CSS | Fast and efficient, optimized for mobile and responsive design | Very easy to use, with a user-friendly interface and streamlined development process | Large and active community support, with many resources available online | Free and open source, with no additional costs | Can provide a good user experience, with a focus on design consistency and flexibility |
| Name | Lenguage | Performance | Ease of use | Scability | Flexibility | Cost | Security | Comptability | Community Support |
|---|---|---|---|---|---|---|---|---|---|
| Django | Python | Fast and efficient, optimized for high-level abstraction and rapid development | Easy to use with a user-friendly interface and robust documentation | Can scale horizontally and vertically with built-in support for caching, load balancing, and clustering | Flexible, with support for many libraries and frameworks | Free and open source, with no additional costs | Strong security features, including automatic protection against common vulnerabilities | Compatible with many programming languages and platforms, with a focus on Python | Large and active community support, with many resources available online |
| Flask | Python | Fast and efficient, optimized for small to medium-sized applications and microservices | Easy to use with a simple and intuitive syntax and structure | Can scale horizontally and vertically with support for extensions and plugins | Highly flexible, with support for many libraries and frameworks | Free and open source, with no additional costs | Strong security features, including protection against common vulnerabilities | Compatible with many programming languages and platforms, with a focus on Python | Active and growing community support, with many resources available online |
| Express | Node.js, JavaScript | Fast and efficient, optimized for Node.js applications and microservices | Easy to use with a simple and intuitive syntax and structure | Can scale horizontally and vertically with support for middleware and plugins | Highly flexible, with support for many libraries and frameworks | Free and open source, with no additional costs | Strong security features, including protection against common vulnerabilities | Compatible with many programming languages and platforms, with a focus on JavaScript | Large and active community support, with many resources available online |
| Name | Type | Performance | Ease of use | Scability | Flexibility | Cost | Security | Comptability | Community Support |
|---|---|---|---|---|---|---|---|---|---|
| MySQL | SQL | Fast and efficient, optimized for relational databases | Relatively easy to use for basic tasks, but can be complex for advanced features | Can scale horizontally with sharding, but limited vertical scalability | Good for structured data, but limited flexibility for unstructured data | Open source with community and enterprise editions available, can be costly for large-scale use | Strong security features, but may require additional configuration for optimal protection | Compatible with many programming languages and platforms | Large and active community support |
| MariaDB | SQL | Similar performance to MySQL, with added features and optimizations | Easy to use with similar syntax and structure to MySQL | Can scale horizontally with sharding, but limited vertical scalability | Good for structured data, but limited flexibility for unstructured data | Open source with community and enterprise editions available, can be costly for large-scale use | Strong security features, but may require additional configuration for optimal protection | Compatible with many programming languages and platforms, with additional features and optimizations over MySQL | Large and active community support |
| PostgreSQL | SQL | Very strong performance and scalability, optimized for complex queries and large datasets | Can be complex and difficult to use for beginners, but offers advanced features and customization options | Can scale horizontally and vertically, with support for clustering and replication | Very flexible, supports both structured and unstructured data | Open source with enterprise support available, can be costly for large-scale use | Very strong security features, with options for encryption and advanced access control | Compatible with many programming languages and platforms | Large and active community support |
| MongoDB | NoSQL | Very fast and efficient for unstructured data, optimized for horizontal scalability | Easy to use for basic tasks, but may require more advanced skills for complex queries and optimization | Can scale horizontally with sharding, but limited vertical scalability | Very flexible, supports unstructured and semi-structured data | Open source with enterprise editions available, can be costly for large-scale use | Strong security features, but may require additional configuration for optimal protection | Compatible with many programming languages and platforms | Large and active community support |
| Firebase | NoSQL | Fast and efficient, optimized for real-time data synchronization and mobile applications | Very easy to use, with a user-friendly interface and streamlined development process | Can scale horizontally and vertically with cloud functions and real-time database | Flexible, supports both structured and unstructured data | Free for basic usage, with pricing plans available for larger scale use | Strong security features, with automatic SSL encryption and access control | Compatible with many programming languages and platforms, with added features for mobile development | Large and active community support, with a focus on mobile development |
As said before, there is another way of connecting the furniture with the app, with Bluetooth. With the Bluetooth connection we don't need to have an intermediary (cloud server) that processes the data the controller sends, because it will be processed in the application. As the data that we are going to manage is not very big, it can be managed in the controller or the application. The problem is that not every data can be saved forever, as it will start occupying a lot of space in both devices. For that reason, the app or controller should have some type of script that will clean up the thrash memory every space of time (Figure 36).
Eventually the team decided to use a webservice over a Bluetooth socket for controlling an electronic device. This decision was based on several factors, including better space control, faster communication, greater control over the infrastructure, and a more user-friendly experience.
First of all, a webservice offers better space control as it can be accessed from anywhere with an internet connection. In contrast, Bluetooth has limited range and requires a direct line of sight between the devices. Additionally, a webservice provides faster communication with a much higher data transfer rate than Bluetooth, allowing for real-time control without noticeable delays.
Furthermore, a webservice provides greater control over the infrastructure. It can handle a large number of users and devices without compromising performance and can be scaled up or down easily to adapt to changing needs. Finally, a webservice offers a more user-friendly experience as it allows users to control the electronic device through a web interface accessible from any device with an internet connection.
In conclusion, the team believes that a webservice is the superior choice for controlling an electronic device. It offers better space control, faster communication, greater control over the infrastructure, and a more user-friendly experience. Team Amplea is confident that implementing a webservice will result in a more efficient and satisfactory user experience.
The class diagram that is created, defines the key elements that we will be worked with and outlines of how they are connected. At present, the diagram includes a generalization known as consumption. This generalization is then used to represent two specific elements: water and electricity. The generalization has two main attributes: consumption and date. The consumption will indicate how much kWh or liter has consumed the user during a gap of time to be defined and the date will indicate when was generated the data. In addition to this, the class diagram also includes another class named “light”, which has three attributes: power, status and automatic. Power will indicate how much power will be provided to the lights in the furniture, status will indicate if it is on or off and automatic if it is working via sensor or we defined the power usage. This can be seen in Figure 35.
By defining the key elements and their relationships through this class diagram, we can gain a better understanding of how the system will work and how different components will interact with each other. This will help us to identify potential issues or areas where improvements can be made, ensuring that we create a robust and effective system that meets the needs of the users.
7.4.2.7 Component Diagram
The component diagram consists of two systems: the controller and the cloud and user (Figure 38). The user component is composed of three files, named index.html, component.js, and style.css, which together form the app. On the other hand, the cloud component consists of a mongodb database and two backend files written in JavaScript that will be the responsible to communicate and update the mongodb database. For doing that, the app communicates with the cloud with HTTPS request to communicate with the backend.
The controller component is composed of two .ino files, with one file handling time functions while the other file handles the main.ino. The main.ino file, in turn, sends and request HTTP requests to get the JSON data from mongodb.
The component diagram provides a visual representation of the interactions between the different components of the system. It shows how the various components are connected and how they work together to provide the required functionality. The diagram helps in understanding the overall architecture of the system and how different components interact with each other.
7.4.3 App design
For the design of the app, the team looked for a design that meets 3 conditions: interactive, familiar and friendly to the eye. For this reason, the choice was made to put big icons and buttons in the app. Together with a colour palette, to generate a user-friendly interface. The application will consist of a loading screen with the project logo. This loading screen will give way to a login screen. Once logged in, there will be access to 4 main interfaces: Light, Electricity, Water and Settings. These menus will have graphics and visual elements for a more direct and simple understanding of the user's expenses and a better management of the options available through the application. The design of the application can be seen in Figure 39:
7.4.4 Packaging
Packaging is the science and technology of enclosing or protecting products for distribution, storage, sale, and use. To sell wine for example, the packaging includes the bottle and the box if the consumer wants multiple bottles. The box is used for transportation and storage and the bottle for storage and 'daily use'. For Amplea the only packaging are just boxes. It will be for transportation and for storage, untill the time the client implements it into his accommodation.
To be assured that Amplea works as promised, even after transportation and storage, safe packaging is really important. Therefore the team wants good quality packaging. The team relies on the fact that their customers care about the environment, so the packaging must be as sustainable as possible. Like Amplea, the packaging will defend ecology and energy reduction by giving it a second life after transportation. The packaging can therefore be returned by customers without cost, and doing so earns them a commission. The first step was to define the dimension of the boxes. We will have three boxes: two similar for the two cupboard and one for the table/desk. The team calculated 2020*70*150 mm for the cupboard package and 2580*720*150 for the other (see Figure 40).
For the material, cardboad was chosen because most of the transportation packages are made from this material. As it was said before, there is an exclamation point on sustainability. The design of the boxes will be a bit complex but will allowed to be re-used. To help the user, assembly instructions on how to send return the package will be written on it. The template of the cupboard's box is shown in Figure 41:
7.4.5 Manual
The team decided to an unique manual for both costumer and user. The product will usually get bought by rental compagnies but will be used by people who rent a small accommodation. The decision has been taken once again to not waste. Furthermore, an online version will be available on the Amplea website/app.
This manual is made up a small instructions about the product, some explanation about the material and the packaging. Furthermore intruction to assemble Amplea are well illustrated and a QR code will lead to videos helping understand if the consumer has any doubts. It also contains instruction for the user, which explains how they should use the product in order not to damage it. It will also show the details of the Amplea application. Finally, a FAQ is available at the end, followed by the contact of the brand.
7.5 Prototype
This chapter focuses on the examination of the prototype to assess potential structural vulnerabilities in the material through the application of force, as well as the necessity of modifications to the hardware beyond initial expectations. Comprehensive testing procedures were conducted for each specific domain, encompassing the areas of structure, hardware, and software.
7.5.1 Structure
Using simulation software, it will be ensured that the Amplea is sufficiently strong to withstand potential loads in both the main desk and the extendable positions. Solidworks will be employed for the simulation tests, with the loads being predetermined by the team. The appropriate properties were determined by consulting various online sources [KML Design Finishes, 2023] [Robert J. Ross, Forest Products Laboratory. USDA Forest Service., 2010] [Recycling World, 2023].
The lifting mechanisms incorporated in the desk have undergone rigorous testing by the respective manufacturers to verify their load-carrying capacity. Furthermore, an additional test was conducted specifically on the table top to ascertain its ability to withstand the pressure exerted by a user sitting and standng on it. For this test, the desk wheight with the installed components plus a single person was set at 300 kilograms, and a safety factor of 2 was applied. Consequently, a load of 600 kilograms (approximately 6000N) was exerted on the desk.By employing this safety factor, it can be assured that the desk is capable of withstanding the specified load, even when the user is standing on it or other heavy things will be placed on it. The load was applied at the center of the table, which is considered the most susceptible area. The experimental setup for simulating the lifting mechanism and the boxes underneath is depicted in Figure 42, respectively. To prevent movement, both sides were constrained in the x-, y-, and z-directions.
The results of this simulation is illustrated in Figures 43, 44 and 45. Figure 43 shows us the stress plot, Figure 44 the displacement and Figure 45 the factor of safety.
The analysis reveals that the maximum displacement observed, when subjecting the desk to twice the weight of the expected load, amounts to 1.99 mm. Considering that this worst-case scenario has been taken into account, this level of displacement is deemed acceptable. However, the crucial aspect lies in the factor of safety determined through SolidWorks calculations. As depicted in Figure 70, the calculated factor of safety is 18.8, surpassing the minimum requirement of 2. This indicates that our table can effectively withstand the applied pressure, enabling us to potentially reduce the thickness of the table top. But this possiblity is not give as the composite which is used is already stripped down to the best weight- strenght ratio.
During the next step, an additional test is being carried out to specifically evaluate the rail system's capability to endure the pressure exerted by a user both sitting and standing on it. In this test, the focus is solely on one side of the rail system. The objective is to determine if it can withstand the weight of a user, set at 100 kg, while maintaining a safety factor of 2. Accordingly, a load of 200 kilograms (approximately 2000N) is being applied to the rail system for assessment. By incorporating this safety factor, it can be ensured that the rail system is capable of withstanding the designated load, even when subjected to the additional weight of a user standing on it or other heavy objects placed upon it. The load was applied at the center piece of the rail system, which is recognized as the most vulnerable region. The experimental arrangement for simulating the load-bearing capacity of the rail system is presented in Figure 46, respectively. To prevent any undesired movement, one side of the rail system is constrained in the x-, y-, and z-directions, the leg is just constrained in the z-direction, as it can move freely on the floor.
The results of this simulation is illustrated in Figures 47, 48 and 49. Figure 47 shows us the stress plot, Figure 48 the displacement and Figure 49 the factor of safety.
The analysis reveals that the maximum displacement observed, when subjecting the rail system to twice the weight of the expected load, amounts to 1.91 mm. Given that this worst-case scenario has been taken into consideration, this level of displacement is considered acceptable. However, the most significant factor lies in the factor of safety determined through SolidWorks calculations. As depicted in Figure 70, the calculated factor of safety is 2.29, exceeding the minimum requirement of 2. This indicates that the rail system can effectively withstand the applied pressure, suggesting the potential for reducing the thickness of the components. However, it should be noted that the aluminium used in the rail system has already been optimized for the best weight-strength ratio, leaving little room for further reduction in thickness. Upon thorough examination of all components comprising the extendable desk, it is determined that the overall structure has an estimated capacity to withstand an additional load ranging from 250 to 300 kilograms.
7.5.2 Hardware
On the hardware side, much of the previously realised design has been changed. First of all, the components to be used are listed in the following Table 67:
If you compare it with the table described above, you can see that some of the sensors do not match. This is because there were already sensors that gave the expected result without the need to buy others.
Therefore, with new sensors, a new wiring diagram had to be designed, with different input and output points, such as the need to generate a current of 3.3V from 5V. The updated electric schematic can be seen in the Figure 50 below. As an appointment, the 3 resistors are each one of 1000 Ohms.
As a last point to mention, the arduino code is not in two code blocks but in only one, being this way more optimal. In addition, due to interpretation problems between the different programs, instead of sending JSON, x-www-form-urlencoded must be sent in a specific format so that it can be read in the backend. This varies a bit from the component diagram explained above. Below is the updated Figure 51.
In the practical part, the code for the water sensor, the light sensor and the electricity consumption sensor has been implemented. In the file “final_version.ino”, which contains all the code of the project, we can see the code with the corresponding references. In addition, both the water sensor and the electricity sensor send information to the API via HTTP request. We have a picture of the hardware, as it is connected following the previously mentioned electric schematic.
It can see the both consumption sensors and they both work, sending information to the backend server.
The information sent is almost instantaneous, with a wait of one second between each sensor update. However, in order not to generate unnecessary API calls, an http request is only sent when sudden changes in the amount of data consumed are detected.
7.5.3 Software
Detail and explain any changes made in relation to the designed solution, including different software components, tools, platforms, etc.
The code developed for the prototype (smart device and apps) is described here using code flowcharts.
Compared to the previous design, no changes are made to any of the basic features of the programme. However, there have been some changes to facilitate the development of the application, which is currently in the testing phase. One of the changes to emphasize, is the non-implementation of MongoDB for the database and use a normal JSON file. This, at a practical level, is the same as MongoDB uses JSON to store the data. But, by using a JSON file there is not the possibility of taking advantage of the benefits of using MongoDB as mentioned in the previous sections. Clearly, there is also a need to adapt the code to work with MongoDB. Regarding the rest of the application architecture, there is one change. The option to set a timetable for the use of lights has been added. For this, the UML of the database has been modified and two new fields have been added in the Light component with name “start_hour” and “end_hour”. In the following Figure 55, we can see how it looks like.
For the development of the application was used ajax calls with jquery. The operation of this code is quite simple to understand. A view-controller was defined in the frontend. Different components were created that are called when they are interacted with or a new screen must be generated. The general structure is as follows:
- First define which object is trigger for the controller.
- The controller performs the procedures defined in its function and normally calls a View to generate the desired html content. To generate the View with the backend content, the API calls are made inside.
- View is loaded and can be interacted with in the application.
In the following Figures 43 until 45 you can see how a few examples work.
In order to explain in a simpler way the functioning of the application code, a flowchart has been made that can be applied to all the functions that are carried out within the application, as they all follow the same scheme. Figure 46 shows the flowchart.
On the backend, we have different calls that we have created to be able to perform the communication functions with the furniture. The calls are listed in the following table with the pre and post conditions.
| API route | Definition | Type | Pre | |
|---|---|---|---|---|
| / | Check if the user exist in the database and returns the token if the user exists | GET | User and password | Token, user name and user id |
| /lightControlStatus/:id | Puts the lights on or off | GET | User id | Nothing |
| /lightControlValue/:id | Get the status of the lights | GET | User id | The automatic and power status of the lights |
| /lightControlAutomatic/:id | Puts the mode automatic on or off | GET | User id | Nothing |
| /lightScheduleModifier/:id | Modifies the hour which the lights should be on/off | PUT | User id, start hour and end hour | Nothing |
| /lightControlPower/:id | Modifies the power of the lights | PUT | User id and percentage of the power to use | Nothing |
| /waterConsumToday/:id | Gets the water consumption of today | GET | User id | Water consumption of today |
| /waterConsumAverage/:id | Gets the water consumption average of the last 7 days | GET | User id | Return the average of the last 7 days |
| /waterConsumWeek/:id | Gets the water consumption of the last week | GET | User id | Water consumption of the last 7 days |
| /electricityConsumToday/:id | Gets the electricity consumption of today | GET | User id | The electricity consumption of today |
| /electricityConsumMonth/:id | Gets the electricity consumption of this month | GET | User id | The electricity consumption of this month |
| /electricityConsumWeek/:id | Gets the electricity consumption of this week | GET | User id | The electricity consumption of this month |
| /ElectricityConsum/:id | Gets the electricyt consumed by the last 7 days | GET | User id | JSON with the date and the consumption of that day |
| /login/:id | Modify the user and password of the user | PUT | User id, new user and new password | Nothing |
| /updateData/:id | Update data from the sensors | PUT | User id, consum data and data type | Nothing |
As it can been seen, there are some outputs with nothing. Nothing would mean that it sends a confirmation message (200) but with no extra data as would can been seen in others calls.
Figure 47 shows API calls defined in the component_server.js file. These calls, when executed, call the functions defined next to them. These calls will check the data entered and, if they are correct, will call the corresponding functions found in component_mode.js, which is in charge of modifying the file with the JSON data.
With respect to the previously defined design, the current application can be seen in the following Figure 48. It does not have everything that was designed at the beginning, but it has a large part of what was planned. The missing details are elements to be added in the future.
7.5.4 Tests & Results
Hardware tests
For the hardware part, a small test has been done with different outputs. The test consisted of testing the sensors at different times and with different loads. The following table shows the type of tests carried out.
| Sensor | Always working? | Always getting the correct data? | Easy to install? | Any problems? |
|---|---|---|---|---|
| Water flow Sensor G1/2 | Yes | Yes | Very easy | No |
| Light Sensor TSL2561 | Sometimes it stops and it get error L2C protocol | Sometimes send wrong data (there is light and is not detecting light) | Easy | Apart the L2C protocol error, no |
| Electricity Consumption Sensor PZM-004T-v3 | No, sometime from nowhere the TX and RX doesn't connect | Yes | It was the hardest one to install, as there was the need of working with 220 V | Sometimes RX and TX must be changed because it doesn't detect it. If that's the case, it sends NaN values and it's not working |
On the other hand, the part of sending data from the arduino to the backend has been done in the software test, making a test with more than 15000 api calls.
Software tests
Software tests comprise: With regard to the use cases defined in the previous sections, the functionalities to be obtained were achieved. The user has the ability to modify the status of the lights and even the possibility of adding a schedule of use was added. The user can also consult the electricity and water consumption of the last few days.
For the performance execution of the application, a python file was generated that executes each API call 1000 times. This code is executed 15 times by a bash code that saves the output in the output_data.txt file. These codes are inside the final code of the project. The final results are as follows:
| Test | Total time | Time per iteration |
|---|---|---|
| Test 1 | 17.849 | 0.0178 |
| Test 2 | 17.309 | 0.0173 |
| Test 3 | 17.236 | 0.0172 |
| Test 4 | 17.435 | 0.0174 |
| Test 5 | 17.629 | 0.0176 |
| Test 6 | 17.803 | 0.0178 |
| Test 7 | 17.784 | 0.0178 |
| Test 8 | 18.138 | 0.0181 |
| Test 9 | 17.994 | 0.0180 |
| Test 10 | 18.112 | 0.0181 |
| Test 11 | 19.348 | 0.0193 |
| Test 12 | 18.077 | 0.0181 |
| Test 13 | 18.127 | 0.0181 |
| Test 14 | 17.932 | 0.0179 |
| Test 15 | 17.862 | 0.0179 |
Mean of the total time: 17.906466388702393
Mean of the time per iteration: 0.01790646638870239
Standard deviation of total time: 0.42890362938362494
Standard deviation of time per iteration: 0.0004289036293836249
Different people have been tested to find out what they think about the application. Five different people were asked to take the test. The results can be seen in the following Table 71, they follow the system usability scale.
| Questions | Answers (1: disagree, 5: agree) | Average |
|---|---|---|
| I think that I would like to use this system frequently. | 4 5 4 5 4 | 4.4 |
| I found the system unnecessarily complex. | 1 1 1 1 1 | 1 |
| I thought the system was easy to use. | 5 5 5 4 5 | 4.8 |
| I think that I would need the support of a technical person to be able to use this system. | 1 1 2 1 1 | 1.2 |
| I found the various functions in this system were well integrated. | 4 5 4 5 4 | 4.4 |
| I thought there was too much inconsistency in this system. | 1 1 1 1 1 | 1 |
| I would imagine that most people would learn to use this system very quickly. | 5 5 4 5 4 | 4.6 |
| I found the system very cumbersome to use. | 1 1 1 1 1 | 1 |
| I felt very confident using the system. | 5 5 5 5 5 | 5 |
| I needed to learn a lot of things before I could get going with this system. | 1 2 1 1 1 | 1.2 |
7.6 Conclusion
In this chapter, the team endeavors to address the problems highlighted in the introduction, stemming from the increased prevalence of remote work for example during a pandemic. The primary objective is to create a more adaptable, space saving and self-sufficient living environment for individuals working from home. The target market primarily consists of individuals residing in limited spaces, who face additional challenges in adapting their space to spatial constraints. The chapter commences with the exploration of initial ideas, which are accompanied by sketches and later developed into a 3D printed model. These tangible representations enable the team to establish a clear vision for the product. Following the definition of the target market, a comprehensive comparison of various materials and components is conducted. The decision is made to proceed with a wood composite and aluminum due to their favorable technological properties, including strength, durability, and ease of recyclability. These materials are deemed the optimal choice for constructing the Amplea. Additionally, the team delves into different lifting mechanisms, analyzing their respective advantages and disadvantages. Ultimately, three options are offered to users, catering to different budgets. The electrical mechanism boasts the widest range and is user-friendly, while the manual mechanism has a slightly limited range and requires the operation of a handle for lifting. The final mechanism, utilizing a lock pin, is the simplest to produce and can achieve any desired height; however, it may pose challenges in terms of user handling. For the 3D model and visualization purposes, the focus is primarily on the manual crank lifting mechanism. Its range is considered sufficient for the envisioned product, and by opting for a manual mechanism, the team aims to maintain an affordable price point.Furthermore, the team discusses the integration of various features to enhance the Amplea's autonomy. Chapter 7.5 elucidates the ideal posture necessary to ensure ergonomic functionality. The solution is further visualized through rendered images. Packaging considerations are also outlined, with the decision made to offer a flat-pack solution for the Amplea. To ensure the safety of the Amplea, simulation tests are conducted on the 3D model using specialized simulation software.
The prototype was created using a 3D print and some wood, provided from our institution. Although the model is just to visualize the functionality of our Amplea and does not consist out of the real materials. The research on sustainability and ethics is used as a guideline for the project. In the following chapter concluds our work and discuss some possible future development.
8. Conclusions
8.1 Discussion
In conclusion, this project has made significant progress, reaching key milestones and achieving important outcomes. The completion of the design phase allowed for meticulous conceptualization and planning, ensuring that the prototype's key design elements, such as functionality, aesthetics, and user experience, were carefully considered and incorporated. The development of a detailed CAD prototype provided a valuable virtual representation, allowing for accurate visualization and assessment of the prototype's form, structure, and functionality. This development was always driven by the market strategy, considerations of existing furniture, ethics, and sustainability. The project aims to meet market demands while adhering to ethical standards and incorporating sustainable practices. By doing so, it seeks to create furniture solutions that are both commercially viable and environmentally responsible. The Material definition played a critical role, as thorough research and analysis led to the identification and selection of suitable materials based on properties like durability, weight, and compatibility with design requirements. This ensures that the project is built upon reliable and appropriate components. The subject of discussion pertains to a novel composite material that combines a recycled cardboard core, thus aligning with the environmentally sustainable practices implemented in the project, and a hardwood core, a naturally occurring material renowned for its exceptional strength and durability. The utilization of this composite offers substantial reductions in resource consumption compared to a conventional hardwood tabletop. The successful implementation and integration of the application associated with the prototype further enhanced its functionality. Real-time information processing and the generation of consumption graphs based on sensor data provide valuable insights for users. Moreover, the seamless integration of sensors into the prototype enables the collection of relevant information necessary for monitoring and optimizing its performance.
Moving forward, the project will focus on the more detailed construction of each part, refining and optimizing the design based on the insights gained during the design phase and prototype development. Testing innovative materials will be crucial in assessing their suitability and performance characteristics, contributing to the ongoing improvement of the prototype. This iterative optimization will be a continuous process throughout the project, as feedback from testing and evaluation is incorporated into the design, construction, and material selection processes. The iterative approach aims to enhance the overall efficiency, durability, and user experience of the prototype, enabling continuous improvement and optimization. In relation to hardware aspects, certain conceptual ideas were documented for implementation. However, due to limitations in material availability and skill sets, these ideas could not be realized. For instance, one concept involved establishing a connection between the cockpit and the power source. Since the cockpit itself was not achievable during this project period, this particular segment of the circuit has to be materialized in the next step. Additionally, the relevant data collected by the light sensor is currently not transmitted to the application, as there is no functional application to process and utilize this data. Nonetheless, efforts will continue within the existing deployment to achieve the desired outcomes, investing time and resources accordingly. Regarding software considerations, one primary requirement is the implementation of a robust authentication system. This system should incorporate features such as Auth0, enabling secure API calls. As the current system operates on a local host without establishing open external connections, the need for implementing such a system has not yet arisen. However, if the project is to be marketed, this aspect should be taken into account. Furthermore, certain additional options, such as notification customization and enhanced profile viewing capabilities, are currently absent but should be incorporated in a more advanced version of the application. Lastly, the connection between MongoDB and the backend has not been established. To fully implement the cloud infrastructure, a server must be created wherein MongoDB and the backend are deployed with a unique IP identifier.
In summary, the project has made significant advancements, including the completion of the design phase, development of a CAD prototype, definition of necessary materials, implementation of the application and sensor integration, and planning for detailed construction and testing. These achievements set the stage for further progress as the project moves towards constructing a physical prototype, conducting iterative optimization, and continuously improving the design.
8.2 Future Development
Looking ahead to the future, the development team has identified several key areas that require improvement and enhancement in their application. One of their top priorities is to bolster the cybersecurity and overall robustness of the system by implementing the auth0 system. This addition will provide advanced security measures and safeguards to protect user data and ensure a safe and secure user experience. Another important focus for the team is to expand the options available for user profiles. By offering a wider range of choices, users will have the flexibility to personalize their profiles and tailor the application to their specific preferences and needs, thereby enhancing their overall experience. In order to enhance the overall fluidity and user experience of the application, the team plans to increase the number of API calls. This optimization will result in smoother transitions, faster response times, and a more seamless and intuitive interface, allowing users to navigate the application with ease and efficiency. Creating a seamless connection between the light sensor, the application, and the LED lights is also a key objective for the team. This integration will enable users to effortlessly control and manipulate the LED lights through the application, unlocking new possibilities for interactive and dynamic lighting experiences that will captivate and engage users. Ensuring a reliable and uninterrupted power supply is of utmost importance to the team. They are actively working on establishing a robust connection between a power source and the cockpit, thereby ensuring consistent power availability and eliminating any disruptions that may hinder the user experience. To enhance their data management capabilities, the team is planning to connect to a real database solution, such as MongoDB. This transition will necessitate the implementation of a comprehensive cloud infrastructure to support efficient data storage, retrieval, and management, providing users with a seamless and efficient data-driven experience. Recognizing the importance of adhering to legal frameworks, the team is conducting a thorough examination of the liability laws in Asian regions. This diligent analysis will enable them to navigate the complex legal landscape and ensure compliance with applicable regulations, fostering trust and confidence among users.
Refining and optimizing the design of each component based on valuable feedback from suppliers and the feasibility of manufacturing processes is a critical step for the team. By paying meticulous attention to detail and continuously refining their design, they can deliver high-quality parts that meet the required standards, resulting in an improved overall product performance. The team is also keen on exploring innovative materials through rigorous testing. By pushing the boundaries of material science and evaluating new options, they aim to enhance the functionality, durability, and overall user satisfaction of the application, ensuring it remains at the forefront of technological advancements. Lastly, the team is committed to continuous iteration and optimization of the prototype. By actively seeking feedback and conducting thorough testing, they will fine-tune and improve the features and performance of the application. This iterative approach ensures that the final product surpasses user expectations and delivers a seamless and enjoyable user experience. Through their dedication and focus on these key areas of development, the team aims to create an application that is not only secure and customizable but also intuitive, efficient, and user-friendly. Their ultimate goal is to provide users with an exceptional product that exceeds their expectations, while staying at the forefront of technological innovation.










































































